[ Verilog FAQ  |  Tips  |  Online Books Papers  |  Free Stuff |   Tools  | Jobs | What's New  ]

 

Sample Questions asked in Interviews

Rajesh Bawankule

Introduction :

A fresh graduate faces some tough questions in his first job interview. The questions themselves are simple but require practical and innovative approach to solve them. I started collecting some questions from my own experience and from my friends.

Note: Please do not send me emails asking for solutions. You are not supposed to answer these questions in 10 seconds like some university multiple choice questions. Some questions may have more than correct answers and some may not even have correct answer :) 

What matters is your approach to solution and understanding of basic hardware design principles.


Some other pages on interview questions:

1. Electrical Engineering Technical Interview Questions/Review : This page has answers too.

2. http://enpub.fulton.asu.edu/cse517/interview.html


Recently added questions

Q. Design a memory system as shown in diagram below.

Note: Only 2000 data entries will be used at a given time. Entries should be programmable by external CPU.
 

Q. Create "AND" gate using a 2:1 multiplexer. (Create all other gates too.)
 

Q. Design XOR gate using just NAND gates.
 

Q. Design a "Stackable First One" finder.

Design a small unit which processes just 1 bit. Design in such a way that it can be stacked to accept make input of any length.


Q Micro architect DMA controller block for given specifications

Note:
- Overall performance should be almost same as performance of Encryption Engine which is 1Gbps.
 


Q. Design Gray counter to count 6.


Q. Design a block to generate output according to the following timing diagram.

 

Q. Design a module as shown in following block diagram.


Note: channel_id is 11 bits wide to accomodate 2K entries in 2K deep SRAM. operation is 1 bit wide.
operation = 00 means write to current location.
operation = 01 means add 1 to existing data
operation = 10 means subtract 1 from existing data in SRAM.
Do not optimize based on operation as in future operations bits can change.
Design such that you can support 1 operation every clock.

 

Q. Design a hardware to implement following equations without using multipliers or dividers.
out = 7x + 8y;
out = .78x + .17y;

 


Old Questions

Q. Create 4 bit multiplier using a ROM and what will be the size of the ROM. How can you realize it when the outputs are specified.

Q. How can you swap 2 integers a and b, without using a 3rd variable

Q. Which one is preferred? 1's complement or 2's complement and why?

Q. Which one is preferred in FSM design? Mealy or Moore? Why?

Q. Which one is preferred in design entry? RTL coding or Schematic? Why?

Q. Design a 2 input OR gate using a 2:1 mux.

Q. Design a 2 input AND gate using a 2 input XOR gate.

Q. Design a logic which mimics a infinite width register. It takes input serially 1 bit at a time. Output is asserted high when this register holds a value which is divisible by 5. 

For example: 

Input Sequence Value Output
1 1 1 0
0 10 2 0
1 101 5 1
0 1010 10 1
1 10101 21 0


(Hint: Use a FSM to create this)


Q. Design a block which has 3 inputs as followed.
   1. system clock of pretty high freq
   2. asynch clock input P
   3. asynch clock input Q

P and Q clocks have 50% duty cycle each. Their frequencies are close enough and they have phase difference. Design the block to generate these outputs.

   1. PeqQ : goes high if periods of P and Q are same
   2. PleQ : goes high if P's period is less than that of Q.
   3. PgrQ :  goes high if P's period is greater  than that of Q.


Q. What's the difference between a latch and a flip-flop? Write Verilog RTL code for each. (This is one of the most common questions but still some EE's don't know how to explain it correctly!)


Q. Design a black box whose input clock and output relationship as shown in diagram.

            __    __    __    __    __    __    __    __    __  
clk     __|  |__|  |__|  |__|  |__|  |__|  |__|  |__|  |__|  |__
 
           __          __          __          __          __  
Output  __|  |________|  |________|  |________|  |________|  |__


Q. Design a digital circuit to delay the negative edge of the input
   signal by 2 clock cycles.
                                  ______________________
   input 
  ________|                   |_____________
            _   _   _   _   _   _   _   _   _   _   _   _   _
  clock   _| |_| |_| |_| |_| |_| |_| |_| |_| |_| |_| |_| |_| |_
                    ___________________________
  output  _________|                           |___________


Q. Design a Pattern matching block

- Output is asserted if pattern "101" is detected in last 4 inputs.
- How will you modify this design if it is required to detect same "101" pattern anywhere in last
8 samples?


Questions:

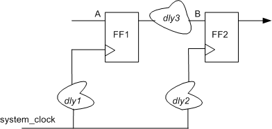
Q.

 

The digital circuit is shown with logic delay (dly3) and two clock buffer delays (dly1, dly2).

- How will you fix setup timing violations occurring at pin B?
- How will you fix hold violations occurring at pin B?

(Hint: Change the values of three delays to get desired effect)


Q. 

Sender sends data at the rate of 80 words / 100 clocks
Receiver can consume at the rate of 8 words / 10 clocks

Calculate the depth of FIFO so that no data is dropped.
Assumptions: There is no feedback or handshake mechanism. Occurrence of data in that time period is guaranteed but exact place in those clock cycles is indeterminate.


Q

Optical sensors A and B are positioned at 90 degrees to each other as shown in Figure. Half od the disc is white and remaining is black. When black portion is under sensor it generates logic 0 and logic 1 when white portion is under sensor.

Design Direction finder block using digital components (flip flops and gates) to indicate speed. Logic 0 for clockwise and Logic 1 for counter clockwise.


Q

Will this design work satisfactorily?
Assumptions: thold = tsetup = tclock_out = tclock_skew = 1ns.
After reset A = 0, B = 1


 

Q. Design a 4:1 mux in Verilog.
      4:1 MUX
  • Multiple styles of coding. e.g.

  •  Using if-else statements

    if(sel_1 == 0 && sel_0 == 0) output = I0;
    else if(sel_1 == 0 && sel_0 == 1) output = I1;
    else if(sel_1 == 1 && sel_0 == 0) output = I2;
    else if(sel_1 == 1 && sel_0 == 1) output = I3;

    Using case statement

    case ({sel_1, sel_0})
          00 : output = I0;
          01 : output = I1;
          10 : output = I2;
          11 : output = I3;
          default : output = I0;
    endcase

  • What are the advantages / disadvantages of each coding style shown above?
  • How Synthesis tool will give result for above codes?
  • What happens if default statement is removed in case statement?
  • What happens if combination 11 and default statement is removed? (Hint Latch inference)

  • (Comments : Though this questions looks simple and out of text books, the answers to supporting questions can come only after some experience / experimentation.)

Q. Design a FSM (Finite State Machine) to detect a sequence 10110.

  • Have a good approach to solve the design problem.
  • Know the difference between Mealy, Moore, 1-Hot type of state encoding.
  • Each state should have output transitions for all combinations of inputs.
  • All states make transition to appropriate states and not to default if sequence is broken. e.g. S3 makes transition to S2 in example shown.
  • Take help of FSM block diagram to write Verilog code.

Q. One more sequence detector:

Design a FSM (Finite State Machine) to detect more than one "1"s in last 3 samples.
For example: If the input sampled at clock edges is 0 1 0 1 0 1 1 0 0 1
then output should be 0 0 0 1 0 1 1 1 0 0 as shown in timing diagram.

And yes, you have to design this FSM using not more than 4 states!!

Sequence Detector Timing Diagram


Q. Design a state machine to divide the clock by 3/2.

frequency divider

(Hint: 2 FSMs working on posedge and negedge)


Q. Draw timing diagrams for following circuit.

Diagram of cascaded flip-flops

Timing Diagram

  • What is the maximum frequency at which this circuit can operate?
  • What is the minimum width of input pulse and position?
  • Problem can be given interesting twist by specifying all delays in min and max types.

Q. Design a Digital Peak Detector in Verilog.

Peak Detector Diagrams


Q. Design a RZ (return to zero )circuit. Design a clock to pulse circuit in Verilog / hardware gates.

Return to Zero Circuit


Q. Miscellaneous Basic Verilog Questions:

  • What is the difference between Behavior modeling and RTL modeling?
  • What is the benefit of using Behavior modeling style over RTL modeling?
  • What is the difference between blocking assignments and non-blocking assignments ?
  • How do you implement the bi-directional ports in Verilog HDL
  • How to model inertial and transport delay using Verilog?
  • How to synchronize control signals and data between two different clock domains?
 

[ Verilog FAQ  |  Tips  |  Online Books Papers  |  Free Stuff |   Tools  | Jobs | What's New  ]

Copyright Rajesh Bawankule  1997-2013