Stepper Motor
Introduction
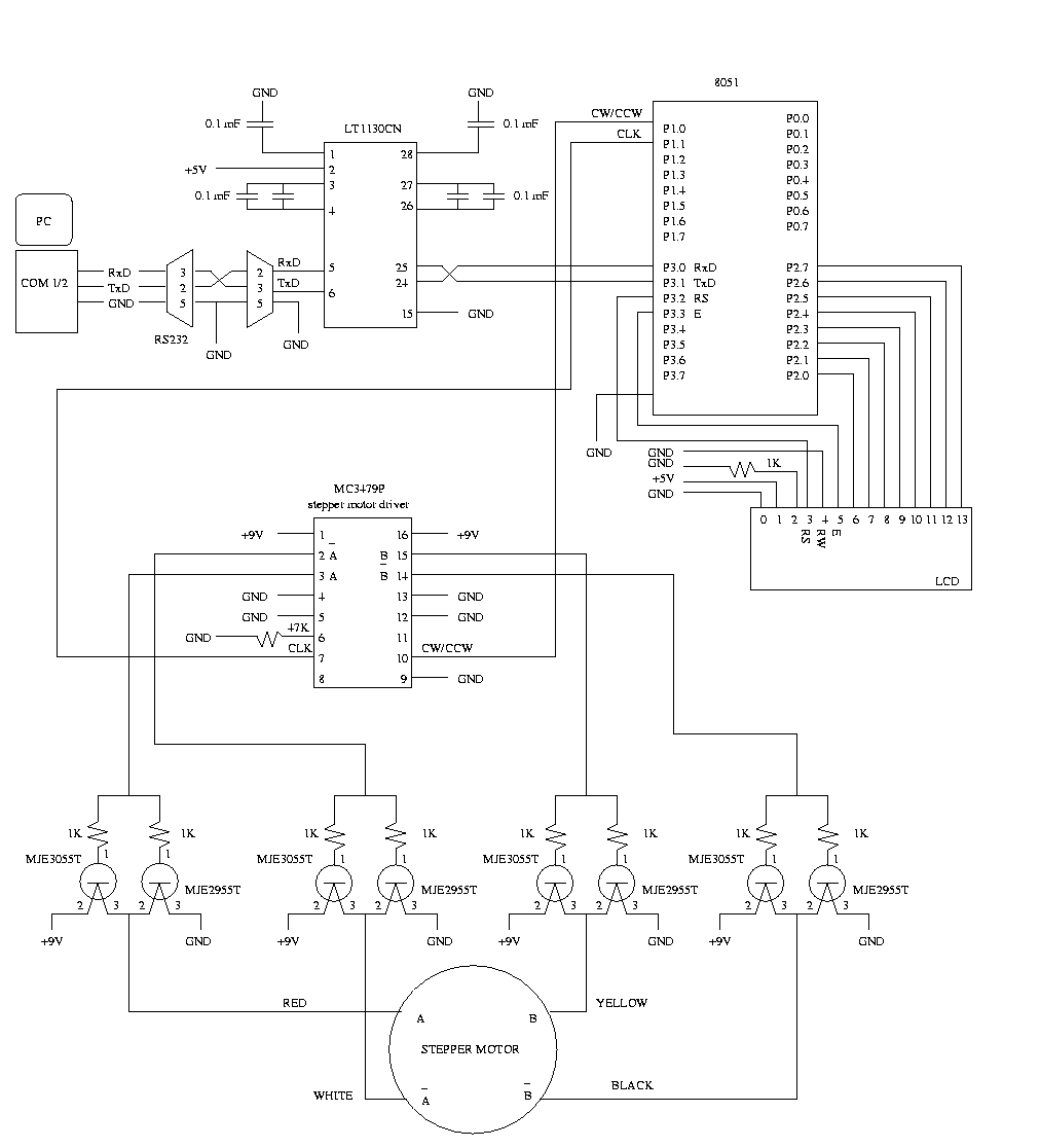
The purpose of this lab is to control a stepper motor, with instructions received from the PC via a serial communication link to the 8051.
Stepper motors are often used in conjunction with microcontrollers to provide precisely controlled motor power. Stepper motors are devices that rotate a precise number of degrees for each "step" applied, as opposed to regular motors, which simply rotate continuously when power is applied. Driving a stepper motor involves applying a series of voltages to the four(typically) coils of the stepper motor. The coils are energized one or two at a time to cause the motor to rotate one step.
Assignment:
Apparatus Required:
Schematic:
Program:
#pragma SMALL DB OE
#include <reg51.h>
unsigned char ReceiveSerial() {
unsigned char c;
TMOD = 0x20; /* configure timer for the correct baud rate */
TH1 = 0xe6; /* 1200 bps for 12 MHz clock */
TCON = 0x00; /* Set timer to not running */
SCON = 0x50; /* Set Serial IO to receive and normal mode */
TR1 = 1; /* start timer to Receive */
while( (SCON & 0x01) == 0 ) /* wait for receive data */;
c = SBUF;
return c;
}
void SendSerial(unsigned char c) {
/* initialize..set values for TMOD, TH1 and TCON */
/* set the Tx interrupt in SCON to indicate sending data */
/* start timer */
/* write character to SBUF */
/* wait for completion of sent data */
}
void main(void) {
unsigned char c;
while( 1 ) {
/* Use ReceiveSerial to read in a character */
/* Depending on character make the motor move left or right */
/* and display the direction on the LCD */
}
}
Procedure:
Note: The circuit requires two different voltages
but you need a common ground.
CAUTION: Transistors can get very hot.