Chapter Two: The ASIC Design Process

Objective:

To present designers with a discussion of the tasks leading to an efficient electrical structure that delivers specified function and performance.

This chapter presents sound engineering practices for the four major activities in the ASIC design process:

We will not discuss the basics of these four disciplines. Many first- rate avenues exist for learning these fundamentals:

We present ASIC design at a higher level, addressing design aspects unique to high reliability space applications. We emphasize information that designers may find difficult to locate elsewhere. For a perspective on how ASIC design fits into the overall ASIC flow, see Section One: Chapter 1: "Managing ASIC Development Tasks." Figure 3.2.1 shows the portion of the overall flow pertaining to this chapter.


Figure 3.2.1 The ASIC Design Flow (For the complete flow, see Section One, Chapter 1)

We begin by reviewing the design steps in the overall ASIC flow to orient the designer for the more detailed analyses to come.

Logic Implementation

After developing the basic ASIC requirements and a functional specification, a designer can begin implementing a design model. This work can proceed at many levels, but logic implementation conventionally refers to creating representations of a circuit that operate in the logic domain. These representations are constructs that manipulate 1s and 0s as opposed to voltages and currents. Computer CAD equipment efficiently manipulates the structures, which are the primary format for circuit simulation and analysis.

SYSTEM-LEVEL CONSIDERATIONS

A successful ASIC must work correctly in its target system. Therefore, the target system requirements must drive the ASIC's design. We recommend a hierarchical system design methodology that creates system-level ASIC partitions according to requirements, available ASIC design talent, tools, and selected ASIC family capabilities.

When partitioning an ASIC, the designer must weigh off-the-shelf part capabilities against ASIC capabilities, taking the ASIC's much higher up-front costs into consideration.

The major ASIC-related factors that affect system partitioning with ASICs are:

The major system-related factors that affect system partitioning with ASICs are:

ASIC FAMILY CAPABILITIES

Designers must consider ASIC family capabilities in at least two phases of an ASIC program--first, during vendor selection (see Section Two), and second during design partitioning.

Make a rough requirements estimate to guide correct vendor and ASIC family selection. Later, during detailed system design, consider the ASIC family capabilities in deciding the final system partitioning.

Capabilities to weigh against costs include:

Chip Architecture
In selecting chip architecture consider the potential design growth. For example, if early gate array design estimates predict using close to the maximum usable gates for the chosen gate array technology, clearly spell out a migration path to the next larger size gate array (if available), or evaluate migration to a standard cell architecture.

Standard Cells: Standard cells offer a designer the most function per die area and often more speed than a gate array implementation of the same design. At the same time, standard cell manufacture requires creating masks for every layer of an ASIC wafer's fabrication making sure each layer has corresponding unique fabrication.

Gate Arrays: Gate arrays require customizing only the layers of a wafer devoted to interconnect. This allows a vendor to build every gate array wafer identically to a point approximately 4/5ths of the way through fabrication. This minimum customization helps consistency and reliability. At the same time, gate arrays have fixed transistor sizes in their core regions, which limit transistor-level design choices for some functions. The fixed transistor sizes largely eliminates design with linear circuit elements.

Considerations of Chip Partitioning
Most ASICs have a relatively fixed internal partitioning into a core region of logic, a periphery region of I/O pads and associated circuitry, and corner regions of test structures, company logos, etc. Both gate arrays and standard cells have these regions. Sometimes designers dedicate portions of the core regions to interconnect areas.

Designers have little influence on the die area devoted to these partitions. At the same time, they must be aware of these partitions and how they limit the design. In some cases, a designer must designate approximate chip locations of certain functions to solve interconnect or power supply problems.

Estimating Part Size
Designers must accurately estimate a gate array's gate count or a standard cell's die area for effective vendor evaluation and system partitioning work. The estimate dictates the process feature size, the I/O count, and the required packaging. When estimating gate count or die size, consider both the required design area and the required number of I/Os. If the design employs many I/Os, then to make room for the I/Os, the design may require a larger die area than the logic will use.

In some cases, a small design with a large number of I/Os will call for a bigger package, a bigger gate array and/or a larger die area to supply additional I/O.


Figure 3.2.2 Generic Standard Cell Layout

Estimating Standard Cell Die Size
The core active area, the periphery active area, and interconnect area determine the required die size for a standard cell design (see Figure 3.2.2) To facilitate these estimates the vendor supplies formulas that use various aspects of a logic-level design to predict these areas. When estimating, don't overlook the circuitry required for radiation hardening and testability circuitry.

Estimating Gate Array Gate Count
Besides the elements in the circuit's logic representation, many factors influence the design's required gate count. To calculate this estimate, vendors will supply a formula that takes the design and these other factors into account. Here, as in standard cells, we caution you not to overlook the area required for radiation hardening and testability circuitry in this estimate.

Power dissipation
The designer has to perform power calculations according to the ASIC data that a vendor provides; these power calculations are then included as part of technical specifications. Major deviations from the power dissipation number may cause some screening problems.

Every ASIC vendor gives you some formula and data on which to base your calculations. Four components contribute to the overall power dissipation of an ASIC: Leakage current, crowbar current, current associated with the charging and discharging of capacitive loads, and dc current that comes from "on" transistors and the resistive current component.

Leakage current: Current that flows through an "off" transistor. This current is usually in pA and contributes to a very small percentage of the overall average power the chip consumes.

DC Current: Current that flows through "on" transistors, other than switching. Use of pull-up/pull down resistors, TTL loads (sourcing/sinking), floating gates or input pads, node contention on internal or external bus contribute to the DC current through a device. Minimize DC current as much as possible.

Crowbar Current: Current is caused during a transition when both the P-channel and N-channel transistors are partially "on." This current should be less than 10 percent of the total current. This is accomplished by minimizing the time the voltage swings through the on-voltage region for both N and P transistors.

Charging and Discharging Capacitor Current: This current is the largest component of the overall ASIC current and is due to charging and discharging of load capacitances. The power consumed by switching transistors is proportional to the operating frequency, the capacitive load, the square of the voltage swing, and the number of capacitive loads (internal gates or capacitive buffers). When a load capacitance CL is charged to a voltage V through a P- channel transistor, it stores a charge of CLV and energy of CLV2. This energy is dissipated when the capacitance discharges through an N-channel transistor. This charging and discharging takes place at a frequency "f." Therefore, the average current during switching and the power dissipated by a signal that switches each clock cycle are:

I = 1/2 fCLV
P = l/2 fCLV2

and for "n" nodes (signals) switching at the same time, it is "n" times the power component for one node.

Vendors usually provide power constants for each of the four major components discussed earlier. Leakage current is very small and not generally taken into account. DC current depends upon the number of pull up/pull down resistors used and the TTL sink requirements. This component is expressed, for example as mW/resistor used. Crow bar current is approximately 10 percent of the total current. For internal gates, ASIC vendors provide "microW/gate/MHz" number to be used. For input buffers a "microW/buffer/MHz" number is provided and for output drivers, it is expressed as "mW/Driver/MHz/pF."

Total power dissipation can be explained as:

P Total = Internal gate power + input buffer power +output buffer power + resistive power

P Total = (NINT x fINT x PINT) + (NIB x fIB x PIB) = (NOUT x fOUT x POUT) + (NRES x PRES x PRDY)

where:

NINT = Number of internal gates
PINT = Power per internal gate
fINT = Average operating frequency of the individual gate
NIB = Number of input buffers
PIB = Power pre input buffer
fIB = Average operating frequency of the input buffers
NOUT = Number of output buffers
fOUT = Average operating frequency of the output drivers
NRES = Number of input pull-up or pull-down resistors or output sink
PRES = Power per input resistor or TTL output sink current
PRDY = Percent duty cycle that a pull-up or pull down resistor is held in its high power state or output buffer is sinking TTL current.


Power Computation Example:

Example Calculation:
Number of internal gates:                           10000 gates
Number of gates switching each cycle (25%)          2500 gates
Number of I/O buffers used as outputs               80
Number of I/O buffers switching each cycle (25%)    20
Internal gate power (NINT)                          15 microW/gate/MHz
Output buffer power @ 50 pF load                    1.5 mW/drives/MHz
Number of input buffers                             50
Power per input buffer                              10 microW/buffer/MHz
Number of pull-up resistors                         16
Power per resistor                                  3 mW
(resistors are held in high power with a duty cycle of 25%)
Average operating frequency             =           10MHz
Internal gate power                     =           2500 x 10 x 15 microW
                                        =           375 mW
Input buffer power                      =           50 x 10 x 10 microW
                                        =           5mW
Output buffer power                     =           20 x 10 x 1.5 mW
                                        =           300 mW
Resistive power                         =           16 x 3 x .25 mW
                                        =           12 mW

P Total = (375 + 5 + 300 + 12) mW       =           692 mW


CHIP DESIGN

Begin the ASIC logic implementation only after generating relatively firm requirements, weighing the various system considerations, and producing a firm ASIC functional partitions. If you fail to gather information through the system analysis, the ASIC developed may not work correctly with its target system, thus requiring expensive ASIC or system changes.

Logic Partitioning
Many consider defining ASIC architecture an art form, created by a talented individual. We recommend that even chip artists keep the following major concepts in mind:

Functional Partitioning
Functional partitioning subdivides a chip into logical functions to minimize communication paths between logic subdivisions. Careful functional partitioning minimizes interconnect overhead, and makes these chips easier to describe and more readily testable.

Cross-Sectional Partitioning
Even in standard cell and gate array design, give sufficient consideration to the physical interconnects. While functional partitioning minimizes the number of interconnects, cross-sectional partitioning minimizes the length of interconnect, thereby improving signal quality. Improved signal quality adds to timing margins, which can be used to improve chip speed, reliability, or both.

Distributive Partitioning
Distributive partitioning trades additional logic for less interconnect by duplicating logic and distributing those duplicates to various locations on a chip. This reduces the need to distribute signals from a single source.

Logic-Level Schematic Capture
During schematic capture, a designer defines the circuit logic, interconnects, and I/O drivers. The designer does this using cell library schematics for standard cell and gate array approaches.

If the design was derived from another technology such as TTL, a one-to-one cell schematic correlation (TTL cell to MOS cell) probably will not be possible.

For example TTL cell clocking usually differs considerably from MOS cell clocking. In addition, TTL cell fan out may be much greater than the MOS cell. In general MOS cells are designed to drive small loads. To drive larger loads, an MOS design may need drivers not required on the equivalent TTL version. Similarly, the MOS drive for bus signals may differ significantly from the TTL drive shown on the schematic.

CMOS clocking often requires using 2-phase clock signals not generally required on TTL parts. Thus with standard cells the designer must implement clock generators and clock buffers to route the clock signals around the chip. With gate arrays the vendor should accomplish this implementation. In some cases, however, it may be the ASIC designer's responsibility.

Schematic capture also requires naming all wires, nodes, busses, and blocks. Naming expedites debugging the circuit under simulation. We also recommend using bus naming conventions when representing multiple signals on the schematic.

Logic Design Issues
Bus Routing and Buffering
Bus lines provide a convenient concept for distributing data and control throughout a system. However, we caution you to design bus lines and drivers very carefully. Often a designer will underestimate the speed restrictions imposed by the capacitive load presented by long bus lines. The data structure linking processor subsystems shown in Figure 3.2.3 best illustrates the effects of long bus lines.


Figure 3.2.3 One bit of a 4-bit processor bus showing interconnects

Consider the pair of bus lines AK and BK. These signals must drive Cbus, the bus wiring capacitance. For a bus line whose length is 1000 lambda (a convenient unit, defined by Professor Carver Mead, representing the unit length of a chip's physical design), Cbus may not exceed 1 pF, which must be driven from the driver's P (pull up) or N (pull down). Therefore, allow sufficient time to charge the capacitance (Cbus) during a portion of the clock cycle. For this type of situation, carefully design the bus driver, bus line length, and clock periods.

Fan In and Out
Fan in and fan out refers to the number of inputs and outputs to a subcircuit such as a logic gate. We discuss some of the basic characteristics of fan In and fan out below:

Fan In: As the number of inputs to the gate increases, the speed performance of a basic MOS gate degrades. As a rule of thumb, implement logic gates requiring more than 5 inputs in two logic levels using basic boolean algebra transformation theorems.

Fan Out: The rise and fall times of a CMOS gate increase approximately linearly with increasing load capacitance. Therefore, place restrictions on the maximum number of loads driven from a single gate.

In general the gate's speed degradation, rather than the power dissipation, limits the allowable capacitive load at an output node. Therefore, in some designs require adding redundant logic to meet the speed requirements. The amount of redundancy introduced depends upon the application. We advise the designer to study each case carefully. Remember that each time you duplicate a gate, the fan-out of the previous gate increases. Therefore it may be necessary to add redundant gates all the way back to the source, and possibly all the way back to the input I/O pins.

The vendor supplies CMOS propagation delays sin their cell-library documentation.

Rad-hard Implications
Gate performance degrades as the number of inputs and outputs to and from the gate increases. This problem becomes more severe in rad-hard environments due primarily to the shifts in threshold- voltages. For this reason the designer must contain fan in and fan out on rad-hard designs and perform detailed pre-layout and post- layout simulations with simulated threshold-voltage shifts under all anticipated environmental conditions.

Clock Buffering
Usually in a CMOS design, the clock signals will drive the heaviest capacitive loads. The clock signals feed the entire chip and are often distributed throughout the chip architecture. Usually one clock phase generates the other. Hence one clock driver will have a heavier load than the other. As part of their CAD tool package, an ASIC vendor will often supply tools and techniques to achieve reliable clock structures, such as balanced clock trees.

To avoid reliability problems in some applications, high capacitive load drivers may require multiple Vdd and Vss I/O pins. This will depend upon the number of outputs switching simultaneously and their associated node capacitance.

Clock Skew
When using long counters or shift registers in a design, take special care to minimize the clock skew between opposite phases of the clock signal in a dual-phase clock design, and between rising edges of a clock in physically distant circuit parts.

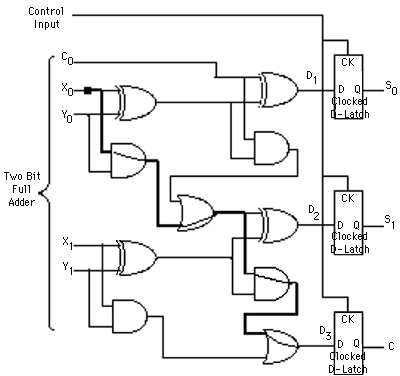
Data Skew
In many logic design cases, the data is clocked into a register via a clock signal. Often in multiple register cases, this clock signal is common to the registers. Figure 3.2.4 illustrates this.


Figure 3.2.4 Data Skew Schematic

Note that all 3 D-Latches of Figure 3.2.4. have a common clock (Ck). This phenomenon mandates that all 3 data signals (D input) become true prior to activating the clock (Ck) signal. Since all 3 data signals (D input) originate from a different source and all 3 follow different logic paths, they will likely become true at differing times. For example, the path shown in bold from X0 to D3 has a longer delay than the path from X0 to D1 and may not present a valid logic level at D3 when Ck is active. This is referred to as "data skew." Data skew can cause false triggering and lead to false logic states. Solve the problem by making sure that the 3 data signals (D inputs D1, D2 and D3) become logically true prior to the Ck signal becoming true. This is most easily done by performing a pre- layout and post-layout timing analysis of the circuit under design.

Netlist Generation
A netlist is a library cells and interconnections listing of the ASIC under design. You can obtain this list from the schematic capture done previously. A netlist requires naming all logic devices and interconnects. The CAD tools can usually do this automatically, but we recommend that the designer take some time to manually name significant signals and logic devices of significance, to make circuit analysis easier. Once the circuit elements are named, netlist generation produces a list of logic device names, input signal names that feed that logic device, and output signal name(s) produced by that logic device.

Designers use the netlist to simulate a circuit. In addition to signal and device names, a netlist may contain device parameters that help in accurately simulating actual circuit behavior.

Simulation
Designers simulate circuits at the following levels. First at the logic level, which assumes no delay within and between logic elements. Next they simulate with various levels of circuit element timing delay (component internal delays, projected interconnect delays and then actual interconnect delays as measured from the chip's layout).

The reasons for simulation include:

Designers often simulate small circuit sub-blocks to verify their functionality. They then simulate larger sub-blocks until the entire chip is simulated at the logic level for functional verification. System designers follow this approach when simulating with device models rather than with cell models.

Timing analysis simulation ensures that signals arrive at circuit elements and at the chip's pins at the correct times to produce the desired functions and performance. Two types of timing analysis are static timing and dithering.

Static timing analysis: This analysis consists of adding all signal delays of a particular path through a circuit to see if a particular signal change produces different results if that signal path has zero delay or non-zero delay. Good timing analysis tools greatly speed up this task, which will be repeated for many paths in a design. Certain "critical" paths that have multiple logic levels that are especially vulnerable to problems in this area.

Once identified, static timing analysis reanalyzes these critical paths a number of times using increasingly accurate timing information. These types of information include: high and low temperature delays, post-radiation delays, pre-layout interconnect, and post-layout interconnect delays.

Dithering: This is another approach to timing analysis on clocks and other critical signals. This analysis incrementally skews or "dithers" signal edges to identify which circuit elements prove particularly sensitive to small changes in signal timing. Where necessary, the dither approach improves the performance of these signals. Dithering commonly applies to setup and hold circuits to characterize their performance. See Figure 3.2.5 for a picture of setup and hold timing.


Figure 3.2.5 Setup and Hold Timing for any circuit using a clock to acquire data

High-reliability chip design uses simulations extensively to demonstrate the chip test quality.

ASIC vendors require numerous design simulations to demonstrate ASIC "producibility" of an ASIC. These simulations often produce extensive negotiation between the vendor and designer to determine who will perform them and which ones will be required.

"Design Verification," which follows, discusses simulation in greater detail.

Design Verification

Design verification analyzes a design for proper performance and function. Performed repeatedly during design development it first ensures that the building blocks exhibit required behaviors and finally that the entire design exhibits the required behaviors.

SOFTWARE-BASED CHIP MODEL VERIFICATION

As discussed above, logic simulators make it possible to produce high quality ASIC's without investing the effort, expense and time necessary to design, fabricate and trouble-shoot a hardware prototype. Simulation advantages include:

We briefly describe the advantages below:

Architecture: Hardware prototype architecture rarely reflects the final ASIC architecture. Therefore, using a hardware prototype may require several versions prior to the ASIC's final emulation. Designing and fabricating these hardware prototypes can be very costly and time consuming. Designers can often generate these prototype versions with simulators by rearranging hardware description language (HDL) code.

Design Exploration: The simulator enables the designer to explore design options, by making fairly minor simulator code changes, before committing to hardware. Exploring these options using hardware can prove difficult, costly and time consuming.

Non-destructive Analysis: Simulators operate on a logic-based mathematical model of an ASIC circuit. Simulations can be rerun many times prior to fabrication of the physical circuit.

Compare this to hardware debug of a prototype ASIC chip, which can be hazardous, especially if interior electrical probing is attempted. Though possible with the proper tools such as logic analyzers, pattern generators, probe equipment, etc., hardware trouble-shooting is cumbersome, often inaccurate or impossible, and can easily destroy the prototype chip.

ASIC Cell Emulation: Hardware prototypes cannot accurately emulate bare cells in an ASIC cell library. Vendors fabricate ASICs with micron or sub-micro devices and interconnects. This yields component values (such as stray capacitance) that hardware prototype cannot accurately model. Inaccuracy causes hardware prototype performance degradation. To overcome this problem use good simulators, which can provide accurate hardware modeling.

Logic Fault Emulation: Using simulation, designers can quickly simulate logic faults in the circuit and view the performance of the "faulty" device via software. This is an invaluable tool in creating the "high-fidelity" tests needed to ensure the delivery of defect-free devices. Reliability tests are difficult or impossible to develop without these types of computer simulations.

Multiple Device State Capture: Simulation methodology also provides the ability to capture many internal device states (past and present) at the same time. To do this with a hardware prototype requires multiple probes, logic analyzers, and special purpose hardware, which quickly become cumbersome with large systems.

Parameter Modeling: Simulation methodology also enables the designer to model worst-case parameters (such as temperature and process parameters) by changing a single software parameter and to quickly monitor the results. Again, this task proves difficult to do with hardware prototypes.

Time to Market: In the present electronic development era, products must be brought to market expeditiously. The loss of even a few weeks in development, can bring disastrous consequences to ASIC based products. Using simulation tools can accelerate the ASIC development and dramatically improve product time to market.

CIRCUIT AND TIMING SIMULATION

Electronic circuits require an accurate method of assessing circuit performance. Traditionally this method involved designing and fabricating discrete hardware breadboard circuits. Engineers then probed these breadboard circuits to isolate unacceptable design causes and then modified the circuits for design improvements.

ASIC design poses an entirely different problem. A hardware breadboard cannot accurately resemble the final product, primarily because the parasitic components of a hardware breadboard differ completely from ASIC parasitic components. For this reason, ASIC breadboards often yield inaccurate characterizations. Extensively probing an ASIC to determine unacceptable design proves virtually impossible due to the ASIC's small size. Because of these problems, electronic circuit simulation has become the dominate design and verification tool for ASIC devices.

An electronic simulator represents the circuit components with mathematical models. The designer provides the simulator with a circuit component description along with circuit electronic input stimuli and chooses which analyses to perform. The simulator then performs numerical analysis procedures on the models, using the input stimuli, and generates predicted outputs. With this technique, the simulator can predict circuit performance results that are virtually impossible to obtain with laboratory measurements.

Whether that breadboard uses SSI and MSI logic devices or field programmable gate arrays, breadboard circuit timing measurements, can only approximate the final device's timing. Only through thorough circuit signal timing analysis, using post-layout timing information, can a designer be confident the design will deliver the desired function and performance.

Test Generation

A test set that meets formal test criteria comprises ASIC design verification. These ASIC tests are much more rigorous than those used for off-the shelf design verification and may include formal test criteria regarding requirements for functional verification, performance verification, and structural verification.

Only the verified design and then the resulting part passing tests can demonstrate successful ASIC design, whether in its target system or in some other test configuration. Therefore, ASIC designers must be concerned with testing. Design-for-test techniques can often greatly simplify and accelerate testing and making tests for ASICs. Designers must often generate their own tests, driving their own self-interest to make a design as testable as other considerations will allow.

At certain stages in the design process, testing begins, starting with test generation. This task should be simultaneous with the initial architectural chip design. To wait until chip fabrication to worry about test generation only ensures a painful, lengthy test generation process that may not assure the design's quality.

Figure 3.2.6 (a), which shows a combinational circuit with n-inputs, best illustrates the problem of testing ASIC circuits.


Figure 3.2.6 Combinational (a) and Sequential (b) Test Block Diagrams

To test the circuit in Figure 3.2.6 (a) exhaustively, apply a sequence of 2n inputs (often referred to as test vectors) while observing the circuit outputs. It is not uncommon for n to be large in an ASIC design. For example if n = 25, then 225 = 33 million test vectors would be required to exhaustively test this circuit, making test time for such a circuit unmanageable. Unfortunately adding sequential logic accentuates the problem. Figure 3.2.6 (b), demonstrates this showing the previous combinational circuit appended with memory (m-storage latches for this example). Adding memory, the memory elements' inputs and previous state determine the circuit's state. To test this circuit exhaustively, apply a sequence of 2n+m test vectors to the circuit. For an ASIC circuit with n = 25 it would not be uncommon for m = 50. Thus 225+50 = 275 test vectors would be required. 275 is approximately equal to 3.8 x 1022. Thus to test this circuit at a 1 microsecond rate per test vector, would take over a billion years (109)! Clearly test time dictates utilizing methods for minimizing test vectors.

ASIC test generation depends highly upon the device under test. This device under test may contain the following circuit types:

The test generation will vary according to the circuit types requiring testing.

TYPES OF TEST GENERATION

In addition to circuit types, test generation depends upon the circuit's function, performance, and structure.

Stuck-At-Fault Testing and Automatic Test Pattern Generation (ATPG)
Stuck-at-fault testing provides a common approach to structural testing for both combinational and sequential circuits. This testing method assumes that a logical fault model corresponds to physical defects in the final chip's structure introduced during manufacture.

A "stuck-at" fault refers to a fault in a circuit logic model where a logic element's input or output is "stuck-at" a logical 1 or 0, switch between the two logical states, as in the "good" circuit logic model. This corresponds to many possible defects in a chip that all cause a short between a signal and power or ground.

We can presently analyze the "good" circuit model versus the "stuck-at" circuit model for circuits of great complexity. Unfortunately, generating tests to accomplish this analysis proves difficult unless a circuit has been designed with some type of sequential circuit partitioning. See Figure 3.2.6 and its accompanying discussion.

When a designer follows proper design partitioning techniques, many vendor tools provide automatic test vector generation or ATPG for SAFs. This automatic technique produces signals at input pins that both drive circuit nodes to 1's and 0's and propagate the results to output pins. In the language of stuck-at fault testing, a test set that produces the desired values at a node is said to have "controllability" of that node and a test set that propagates the test result to an output pin is said to provide "observability" to that node. ATPG tools, in conjunction with proper design techniques, can create test sets that give controllability and observability to most of a circuit.

A measure called "fault coverage" determines a fault test set quality. This measure comes from the ratio of the number of circuit nodes controlled and observed by a test set to the total number of nodes in a circuit. Scan design, a commonly available design technique supports ATPG scan design.

Scan design builds all sequential circuit elements (latches, flip-flops, etc.) into one or more large serial shift registers. These shift registers clock the tests generated for combinational circuit elements into place and reads the results, while they simultaneously test the sequential elements.

At-Speed Functional Test Generation
Designers create functional tests to verify a design's functions. If sufficiently comprehensive, these functional tests can serve another purpose. Functional tests, when run at the ASIC's clock speeds or faster, can detect defects that even a very comprehensive stuck-at test set cannot.

To create a thorough ASIC functional test, first test all functional blocks ASIC, including all significant data values. While an exhaustive functional test (testing all states, including those caused by differing data values) is not possible, a comprehensive functional test will exercise all desired functional states and all data values that correspond to limits (dynamic ranges) and structural activity (look-ahead, carry, etc.).

Quiescent Current Test Generation
Measuring device quiescent current after logic activity (after one or more logical states have changed) provides another productive testing form, also known as IDDQ testing. When repeated several times for different states, this testing can detect many defects that other testing forms cannot. These are the defects that cause an anomalous current because the logical state and the state created by the defect cause a voltage conflict.

IDDQ test vectors provide a high "toggle coverage." Toggling refers to the test's ability to cause circuit element inputs to transition from a logical 1 to a logical 0 and visa versa. Toggle coverage expresses the ratio of the number of inputs toggled to the total number of inputs in a circuit for a particular test set. Recent published data from a number of companies show that defect levels may drop as much as two orders of magnitude when combining IDDQ testing with conventional stuck-at fault techniques.

More on test and test generation
For more on test and test generation, please see the "Part Acceptance" section of the guide and the "Design for Test" chapter later in this section.

Packaging

Selecting packages requires an ASIC designer to make difficult trade-offs between the device's number of I/Os, how much power the circuit will dissipate, and the amount of board space the device will require. Most of these issues are resolved at the time of ASIC partitioning.

Packaging must largely depend on the available packages a vendor can supply for a particular standard cell or gate array size. The guide recommends using only vendor standard packages, as qualifying a package proves a long and expensive process that can add significant overhead to an ASIC program.

The fundamental elements of packaging are:

Summary


Now you may jump to: