Large Worked Example: The Binary counter

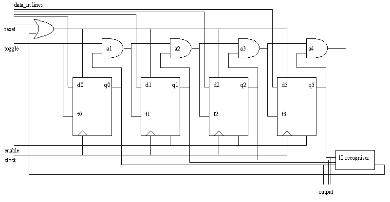
Now we will implement a binary counter, and add extention to it as we describe it in higher levels of abstraction. The counter which will be implemented counts in binary from 0 to 12. At 12 it resets itself to 0 and starts again.

Below is a logic diagram for the binary counter. The commented Verilog description of the counter can be found here

next contents