Microsystems Prototyping Laboratory


slrf310: SCAN LATCH W / RST & ACTIVE LOW CLOCK


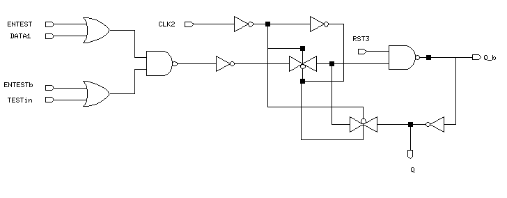
Gate Level Schematic of the standard cell "slrf310".


Schematic of the standard cell "slrf310" with device sizes in lambda.


Layout of the standard cell "slrf310"

here.


Logic Equation: A = (EN * Tin) + (DATA1 * ENb)


Input(s): CLK2, DATA1, ENTEST, ENTESTb, RST3, TESTin


Output(s): Q, Q_b


Truth Table

---------------------------------------------------------------------------
CLK2	EN,ENb	Ti	DATA1	RST3	Q	Q_b	1
---------------------------------------------------------------------------
x	x	x	1	Qn-1	Q_bn-1	0	0,1
x	x	1	DATA1	DATA1'	0	1,0	x
x	1	Ti	Ti'	x	x	x	x
0	0	1	
---------------------------------------------------------------------------


Terminal Location and Capacitance Table

--------------------------------------------
Name	X_loc	Y_loc	   Capacitance (fF)
	lambda  lambda   2U	1.2U	0.8U
--------------------------------------------
CLK2	13	25	51.5	23.8	19.9
DATA1	82	35	50.0	24.1	19.4
ENTEST	72	35	-	-	-
ENTESTb	125	15	-	-	-
Q	118.5	27	-	-	-
Q_b	143.5	29.5	-	-	-
RST3	153	40	70.1	33.0	27.4
TESTin	107	15	-	-	-
--------------------------------------------


Characterization Data