Microsystems Prototyping Laboratory


labf211: NOR LATCH


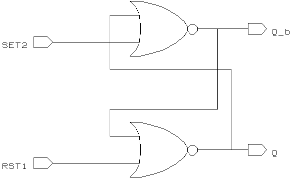
Gate Level Schematic of the standard cell "labf211".


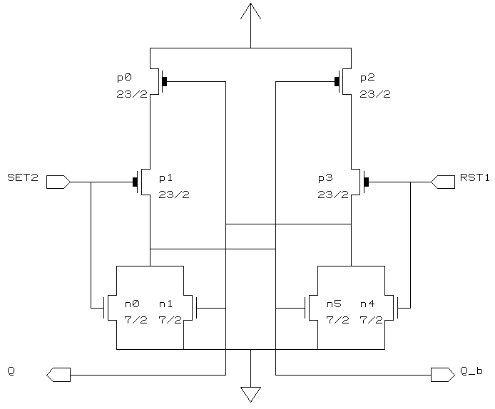
Schematic of the standard cell "labf211" with device sizes in lambda.


Layout of the standard cell "labf211"

here.


Logic Equation: Q = (SET2 * RST1') + (Qn-1 * SET2' * RST1')

Q_b = (SET2' * RST1) + (Qn-1' * SET2' * RST1')


Input(s): RST1, SET2


Output(s): Q, Q_b


Truth Table

-------------------------------
SET	RST	Q	Q_b
-------------------------------
0	0	Qn-1	Qn-1'
0	1	0	1
1	0	1	0
1	1	0	0
-------------------------------


Terminal Location and Capacitance Table

--------------------------------------------
Name	X_loc	Y_loc	   Capacitance (fF)
	lambda  lambda   2U	1.2U	0.8U
--------------------------------------------
Q	40	18	-	-	-
Q_b	16	18	-	-	-
RST1	49	20	72.2	35.9	23.3
SET2	7	20	72.2	35.9	23.3
--------------------------------------------


Characterization Data