Microsystems Prototyping Laboratory


labf111: NAND LATCH


Gate Level Schematic of the standard cell "labf111".


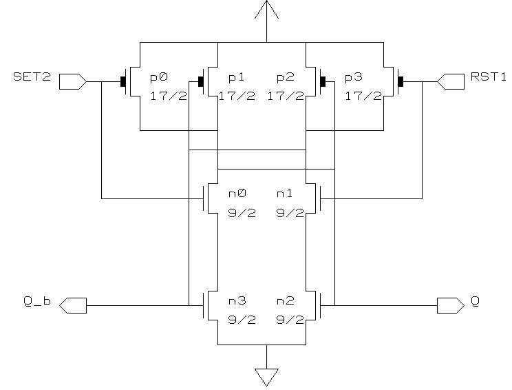
Schematic of the standard cell "labf111" with device sizes in lambda.


Layout of the standard cell "labf111"

here.


Logic Equation: Q = (Qn-1 * SET2 * RST1) + SET2'

Q_b = (Qn-1 * SET2 * RST1) + RST1'


Input(s): RST1, SET2


Output(s): Q, Q_b


Truth Table

-------------------------------
SET	RST	Q	Q_b
-------------------------------
0	0	1	1
0	1	1	0
1	0	0	1
1	1	Qn-1	Qn-1'
-------------------------------


Terminal Location and Capacitance Table

--------------------------------------------
Name	X_loc	Y_loc	   Capacitance (fF)
	lambda  lambda   2U	1.2U	0.8U
--------------------------------------------
Q	16	22	-	-	-
Q_b	40	22	-	-	-
RST1	48.5	38	61.8	29.7	19.3
SET2	7.5	38	61.8	29.7	19.3
--------------------------------------------


Characterization Data