Microsystems Prototyping Laboratory


cgf104: TWO PHASE NON-OVERLAPPING CLOCK GENERATOR


Gate Level Schematic of the standard cell "cgf104".


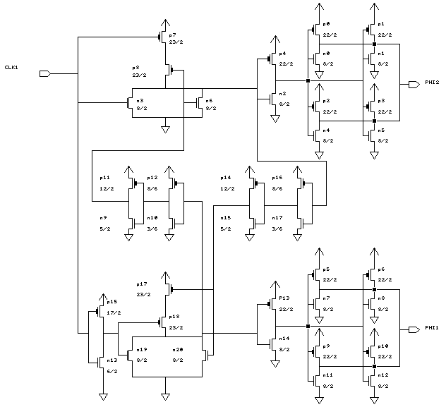
Schematic of the standard cell "cgf104" with device sizes in lambda.


Layout of the standard cell "cgf104"

here.


Logic Equation:


Input(s): CLK1


Output(s): PHI1, PHI2


Truth Table

-----------------------
-----------------------


Terminal Location and Capacitance Table

--------------------------------------------
Name	X_loc	Y_loc	   Capacitance (fF)
	lambda  lambda   2U	1.2U	0.8U
--------------------------------------------
CLK1	6.5	34	137	67.4	43.7
PHI1	257	26	-	-	-
PHI2	188	26	-	-	-
--------------------------------------------


Characterization Data