NORTHEASTERN UNIVERSITY

Electrical and Computer Engineering Department

Digital Systems Design With VHDL, Test # 2

ECE 3401 / DS 765F

Summer Quarter 1997

Week of Lecture 20

 

Computer Account #___________________

First Name :_________________________

Last Name :__________________________

Number :_____________________________

Signature :__________________________

 

Grade:

Problem 1. ______/25

Problem 2. ______/25

Problem 3. ______/25

Problem 4. ______/25

 

Total: ______/100

 

 

EXTRA SHEETS WILL NOT BE ACCEPTED

THIS IS A OPEN BOOK OPEN NOTE EXAM

YOU MUST SHOW COMPLETE WORK ON ALL PROBLEMS

YOU HAVE EXACTLY TWO HOURS FOR WORKING ON THIS TEST

1. Using the following package that uses the std_logic package, two architectures for the bussing entity are written. The threestate uses resolved signals and the processing architecture does not. Based on the behavior of the threestate architecture, fill in the blanks for the z_side output value in the processing architecture.

 

 

LIBRARY IEEE;

USE IEEE.std_logic_1164.std_ulogic;

--

PACKAGE class_test_test IS

SUBTYPE mvl4 IS std_ulogic RANGE '0' TO 'W'; --('0', '1', 'Z', 'X');

TYPE mvl4_2d IS ARRAY (mvl4, mvl4) OF mvl4;

TYPE mvl4_vector IS ARRAY (NATURAL RANGE <>) OF mvl4;

FUNCTION wire (a, b : mvl4) RETURN mvl4;

FUNCTION wiring ( drivers : mvl4_vector) RETURN mvl4;

SUBTYPE wired_mvl4 IS wiring mvl4;

TYPE wired_mvl4_vector IS ARRAY (NATURAL RANGE <>) OF wired_mvl4;

END class_test_test;

PACKAGE BODY class_test_test IS

FUNCTION wire (a, b : mvl4) RETURN mvl4 IS

CONSTANT mvl4_wire_table : mvl4_2d := (

('0','W','0','W'),

('W','1','1','W'),

('0','1','Z','W'),

('W','W','W','W'));

BEGIN

RETURN mvl4_wire_table (a, b);

END wire;

FUNCTION wiring ( drivers : mvl4_vector) RETURN mvl4 IS

VARIABLE accumulate : mvl4 := 'Z';

BEGIN

FOR i IN drivers'RANGE LOOP

accumulate := wire (accumulate, drivers(i));

END LOOP;

RETURN accumulate;

END wiring;

END class_test_test;

--

USE WORK.class_test_test.ALL;

ENTITY bussing IS

PORT (a_side, b_side : IN wired_mvl4_vector (3 DOWNTO 0);

a_select, b_select : IN mvl4;

z_side : OUT wired_mvl4_vector (3 DOWNTO 0));

END bussing;

--

--

LIBRARY IEEE;

USE IEEE.std_logic_1164.std_ulogic;

USE IEEE.std_logic_1164."=";

--

USE WORK.class_test_test.ALL;

--

ARCHITECTURE threestate OF bussing IS

BEGIN

z_side <= a_side WHEN a_select = '1' ELSE "ZZZZ";

z_side <= b_side WHEN b_select = '1' ELSE "ZZZZ";

END threestate;

LIBRARY IEEE;

USE IEEE.std_logic_1164.std_ulogic;

USE IEEE.std_logic_1164."=";

--

USE WORK.class_test_test.ALL;

--

ARCHITECTURE processing OF bussing IS

BEGIN

PROCESS (a_side, b_side, a_select, b_select)

BEGIN

FOR i IN a_side'RANGE LOOP

IF a_select = '0' AND b_select = '0' THEN

z_side (i) <= ……;

ELSIF a_select = '1' AND b_select = '0' THEN

z_side (i) <= ……;

ELSIF a_select = '0' AND b_select = '1' THEN

z_side (i) <= ……;

ELSIF a_select = '1' AND b_select = '1' THEN

IF a_side (i) = '0' AND b_side (i) = '0' THEN z_side (i) <= ……;

ELSIF a_side (i) = '0' AND b_side (i) = '1' THEN z_side (i) <= ……;

ELSIF a_side (i) = '0' AND b_side (i) = 'W' THEN z_side (i) <= ……;

ELSIF a_side (i) = '0' AND b_side (i) = 'Z' THEN z_side (i) <= ……;

ELSIF a_side (i) = '1' AND b_side (i) = '0' THEN z_side (i) <= ……;

ELSIF a_side (i) = '1' AND b_side (i) = '1' THEN z_side (i) <= ……;

ELSIF a_side (i) = '1' AND b_side (i) = 'W' THEN z_side (i) <= ……;

ELSIF a_side (i) = '1' AND b_side (i) = 'Z' THEN z_side (i) <= ……;

ELSIF a_side (i) = 'Z' AND b_side (i) = '0' THEN z_side (i) <= ……;

ELSIF a_side (i) = 'Z' AND b_side (i) = '1' THEN z_side (i) <= ……;

ELSIF a_side (i) = 'Z' AND b_side (i) = 'W' THEN z_side (i) <= ……;

ELSIF a_side (i) = 'Z' AND b_side (i) = 'Z' THEN z_side (i) <= ……;

ELSIF a_side (i) = 'W' AND b_side (i) = '0' THEN z_side (i) <= ……;

ELSIF a_side (i) = 'W' AND b_side (i) = '1' THEN z_side (i) <= ……;

ELSIF a_side (i) = 'W' AND b_side (i) = 'W' THEN z_side (i) <= ……;

ELSIF a_side (i) = 'W' AND b_side (i) = 'Z' THEN z_side (i) <= ……;

END IF;

ELSIF a_select = 'W' OR b_select = 'W' THEN

z_side (i) <= ……;

ELSIF a_select = '1' THEN

z_side (i) <= ……;

ELSIF b_select = '1' THEN

z_side (i) <= ……;

END IF;

END LOOP;

END PROCESS;

END processing;

--

2. Use guarded block statements and intermediate signals to duplicate results of the threestate architecture of Problem 1. Fill in the blanks in the following code.

 

 

LIBRARY IEEE;

USE IEEE.std_logic_1164."=";

USE IEEE.std_logic_1164.std_ulogic;

--

USE WORK.class_test_test.ALL;

--

ARCHITECTURE blocking OF bussing IS

SIGNAL . . .

BEGIN

a: BLOCK (a_select = '1')

BEGIN

. . .

END BLOCK;

b: BLOCK (b_select = '1')

BEGIN

. . .

END BLOCK;

. . .

END blocking;

--

 

 

 

3. Given the following state machine description, 1) Show the state diagram this description is implementing. 2) Fill in the simulation result listing, note that there are simultaneous changes. 3) Add an asynchronous reset to this description.

 

ENTITY mooreb IS

PORT (data, clock : IN BIT; outz, waiting : OUT BIT); END mooreb;

--

ARCHITECTURE synthesizable OF mooreb IS

TYPE state IS (aa, bb, cc, dd);

SIGNAL nxt, present : state;

BEGIN

reg : PROCESS (clock)

BEGIN

IF (clock'EVENT AND clock = '1') THEN

present <= nxt;

END IF;

END PROCESS;

--

logic : PROCESS (present, data)

BEGIN

outz <= '0';

waiting <= '0';

CASE present IS

WHEN aa =>

IF data = '0' THEN nxt <= aa; ELSE nxt <= bb; END IF;

WHEN bb =>

IF data = '0' THEN nxt <= cc; ELSE nxt <= bb; END IF;

WHEN cc =>

IF data = '0' THEN nxt <= aa; ELSE nxt <= dd; END IF;

WHEN dd =>

IF data = '0' THEN nxt <= cc; ELSE nxt <= bb; END IF;

END CASE;

IF present = dd THEN outz <= '1'; END IF;

IF present = aa THEN waiting <= '1'; END IF;

END PROCESS;

END synthesizable;

 

ps

delta

data

clock

outz

waiting

0

+0

0

0

   

0

+1

0

0

   

30000

+0

1

0

   

40000

+0

1

1

   

40000

+2

1

1

   

65000

+0

0

1

   

75000

+0

0

0

   

120000

+0

0

1

   

125000

+0

1

1

   

155000

+0

0

0

   

180000

+0

1

0

   

200000

+0

1

1

   

200000

+2

1

1

   

215000

+0

0

1

   

235000

+0

0

0

   

275000

+0

1

0

   

280000

+0

1

1

   

280000

+2

1

1

   

305000

+0

0

1

   

315000

+0

0

0

   

330000

+0

1

0

   

360000

+0

1

1

   

365000

+0

0

1

   

395000

+0

0

0

   

425000

+0

1

0

   

440000

+0

1

1

   

455000

+0

0

1

   

475000

+0

0

0

   

480000

+0

1

0

   

515000

+0

0

0

   

520000

+0

0

1

   

555000

+0

0

0

   

575000

+0

1

0

   

600000

+0

1

1

   

600000

+2

1

1

   

605000

+0

0

1

   

630000

+0

1

1

   

635000

+0

1

0

   

665000

+0

0

0

   

680000

+0

0

1

   

680000

+2

0

1

   

715000

+0

0

0

   

725000

+0

1

0

   

755000

+0

0

0

   

760000

+0

0

1

   

760000

+2

0

1

   

780000

+0

1

1

   

795000

+0

1

0

   

815000

+0

0

0

   

840000

+0

0

1

   

875000

+0

1

0

   

905000

+0

0

0

   

920000

+0

0

1

   

930000

+0

1

1

   

955000

+0

1

0

   

965000

+0

0

0

   

1000000

+0

0

1

   

1025000

+0

1

1

   

1035000

+0

1

0

   

1055000

+0

0

0

   

1080000

+0

1

1

   

1115000

+0

0

0

   

1160000

+0

0

1

   

1175000

+0

1

1

   

1195000

+0

1

0

   

1205000

+0

0

0

   

1230000

+0

1

0

   

1240000

+0

1

1

   

1240000

+2

1

1

   

1265000

+0

0

1

   

1275000

+0

0

0

   

1320000

+0

0

1

   

1325000

+0

1

1

   

1355000

+0

0

0

   

1380000

+0

1

0

   

1400000

+0

1

1

   

1400000

+2

1

1

   

 

 

 

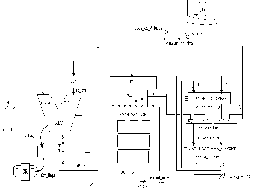
4. Parwan datapath is shown below. Make modifications for this processor to be able to perform full indirect addressing. Note that the present architecture only allows full indirect addresses to receive offset address of the operand. The new architecture should be able to read page and offset of the operand. Show dataflow VHDL code for the control steps that have to be added for this purpose.