PLD·Î Latch¸¦ ¸¸µé·Á¸é?
>#1561 ¼¿ë¼® (sys6417 )
>[Áú¹®]22v10 ¿¡¼ latch´Â ¾î¶»°ÔÇϳª¿ä? 02/05 01:06 8 line
>
>¾È³çÇϼ¼¿ä?
>Ãʺ¸ Áú¹® µå¸³´Ï´Ù.
>22v10 ¿¡¼ ÇѰ³ÀÇ ÇÉÀÔ·ÂÀ¸·Î Ãâ·ÂÀ» f/fÇüÅ·Π¾²·Á°í Çϴµ¥¿ä.
>¿¹·Î 13¹ø ÇÉÀ» »ç¿ëÇØ¼ 15¹øÇÉÀ» Ãâ·ÂÀ¸·Î ¾µ¶§,13¹ø ÇÉÀ» ·Î¿ì·Î
>ÇßÀ»¶§
>15¹øÇÉÀÌ high°¡ µÇ°í 13ÇÉÀ» high·Î ÇØµµ ±×´ë·Î À¯Áö ÇØ¾ß Çϰí¿ä.
>13ÇÉÀ» ´Ù½Ã lowÇϸé 15¹øÇÉÀÌ low°¡µÇµµ·Ï ÇØ¾ßÇϴµ¥ ¾î·Æ±º¿ä.
>¾Æ½Ã´Â ºÐµéÀÇ Á¶¾ð ºÎŹ µå¸³´Ï´Ù.
>±×·³..
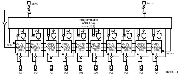
À§ÀÇ Áú¹®À» º¸´Ï ¹º°¡ PLD¿¡ ´ëÇÑ ¿ÀÇØ°¡ Àִµí ÇÕ´Ï´Ù. º¸Åë PLD ¸¦ ÀÌ¿ëÇØ¼ ¼³°èÇÒ¶§ µðÁöÅÐ ³í¸® ¼ÒÀÚµé (¿¹¸¦µé¸é NOT, AND, OR°°Àº)À» ¶°¿Ã¸®°Ô ¸¶·ÃÀÔ´Ï´Ù. ±×·±µ¥ À̰ÍÀº ¾îµð±îÁö³ª µî°¡È¸·ÎÀÏ »ÓÀ̶ó´Â °ÍÀ» ¾Æ¼Å¾ß ÇÕ´Ï´Ù. 22V10ÀÇ µ¥ÀÌŸ ½¬Æ®¸¦ º¸¸é ½±°Ô ÀÌÇØ°¡ °¥ °ÍÀÔ´Ï´Ù.
AND/OR ArrayºÎºÐ¿¡ ³í¸®ÇÔ¼öÀÇ µî°¡½ÄÀ» Program ÇØ ³Ö´Â´Ù´Â ¶æÀ̸ç À̰÷¿¡ Latchȸ·Î µûÀ§¸¦ ³ÖÀ»¼ö ¾ø½À´Ï´Ù. À̺κÐÀº ROMÀ̶ó°í »ý°¢ÇÏ½Ã¸é µË´Ï´Ù. Áï Feed-Back ȸ·ÎÀÇ ±¸¼ºÀÌ ºÒ°¡´ÉÇÑ ±¸Á¶¿¡ Latch¸¦ ±¸¼ºÇÑ´Ù´Â °ÍÀº ¾Ö´çÃÊ ºÒ°¡´ÉÇÏ´Ù´Â °ÅÁö¿ä.
À§ÀÇ ±¸Á¶¿¡¼ º¼ ¼ö ÀÖµíÀÌ Ãâ·Â´Ü¿¡ F/FÀÌ ÀÖ½À´Ï´Ù. F/F¿¡´Â Edge trigger ¹æ½ÄÀÇ RESET/PRESETÀÌ ÀÖ´Â F/FÀÌ Æ÷ÇԵǾî ÀÖÀ¾´Ï´Ù. µû¶ó¼ Áú¹®°ú °°ÀÌ Level Sensitive Latch¸¦ ±¸¼ºÇÒ¼ö ¾øÀ¾´Ï´Ù. ³»¿ëÀ»º¸´Ï Falling Edge Trigger ¹æ½ÄÀÇ F/F¸¦ °í·ÁÇϽðí RESET/PRESET¸¦ ¾î¶»°Ô ÇÒ °ÍÀÎÁö ÁöÁ¤ÇÏ´Â°Ô ÁÁ½À´Ï´Ù.
VHDL·Î ÇÏ¸é ´ÙÀ½°ú °°½À´Ï´Ù.
library ieee; use ieee.std_logic_1164.all; entity toggle is port ( b : out std_logic; rst : in std_logic; clk : in std_logic ); end toggle; architecture behave of toggle is begin process (rst, clk) variable vb : std_logic; begin if (clk='0' and clk'event) then if (rst='1') then vb := '1'; else vb := not vb; end if; end if; b <= vb; end process; end behave; |
¸¸ÀÏ Level Sensitive ÇϰÔ
process (rst, clk) variable vb : std_logic; begin if (clk='0') then if (rst='1') then vb := '1'; else vb := not vb; end if; end if; b <= vb; end process; |
¶ó°í Çϸé ÇÕ¼ºÀº µÇÁö¸¸ 22V10°ú °°Àº PLA Device¿¡ FittingÇϴµ¥ ¿¡·¯°¡ ³³´Ï´Ù.
mailto:goodkook
CSA & VLSI Design Lab. Kyunghee Univ