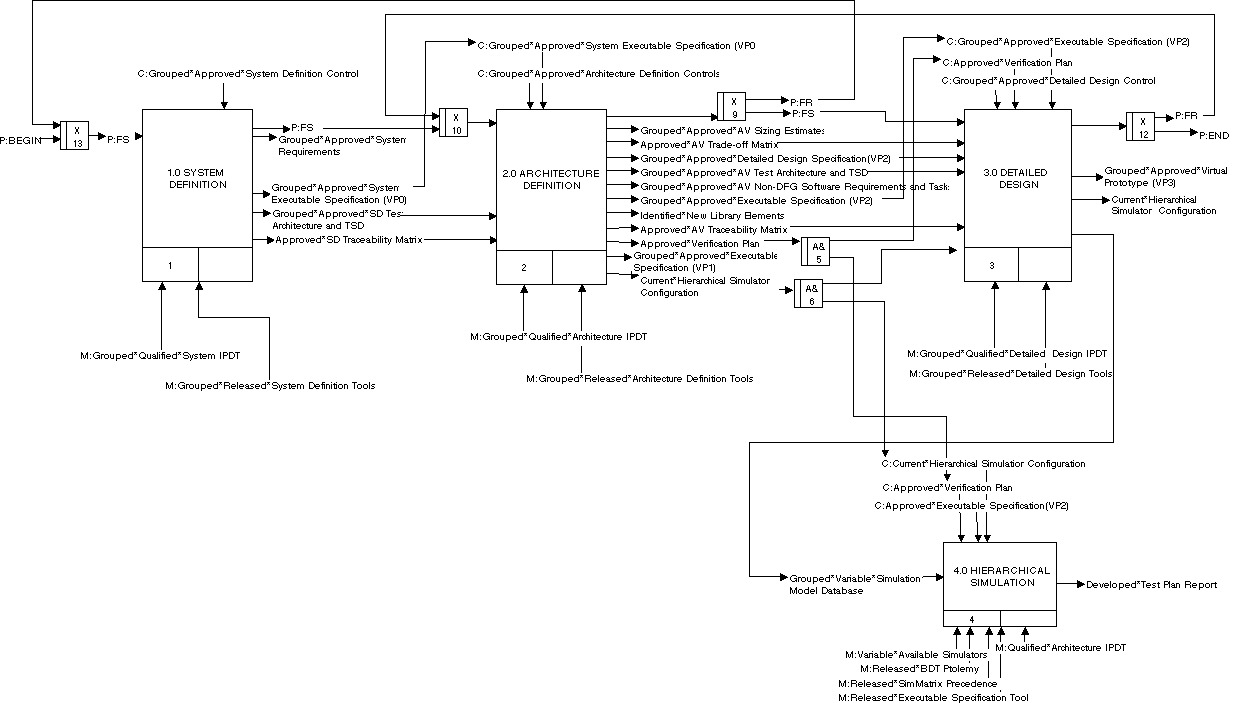
RASSP Design Process

The following graph is the top level of the RASSP Design Process. To see more details, double-click on any of the boxes.