Dalton Project
University of California
Dept. of Computer Science
Riverside, CA 92521
dalton@cs.ucr.edu

Synthesizable VHDL Model of 8051

The Intel 8051 is an 8-bit micro-controller. This micro-controller is capable of addressing 64K of program and 64K of data memory. The implementation below is written in Synthesizable VHDL (at least by Synopsys and Xilinx,) and models the actual Intel implementation rather closely, e.g., it is 100% instruction compatible. Visit this page for latest information and upgrades, and keep in mind that we tend to make frequent revisions. Do not hesitate to contact us regarding questions or comments. Needless to say, we do not, nor does the University of California at Riverside, provide any kind of warrantee for anything you read or download from this page.

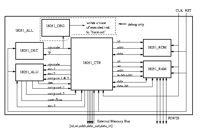
Block Diagram

Limitations

We plan on, slowly, removing all the above limitations/shortcomings. We would also appreciate any help from people willing to contribute to this design. Please contact us.

FPGA Implemenation

We are in process of testing our 8051 model on an actual FPGA board. Our plans are to use a XILINX V300PQ240 Virtex FPGA. We will add our test results, procedures along with other related material to this web page. Here is the post synthesis report that gives FPGA cell usage as well as some timing information. Note that about 1/2 of the FPGA is used by the RAM modules. You can fit the design in smaller FPGA's by reducing the internal memory space. Also, note that the maximum FPGA clock speed is 11.6 MHz!

Source File Description

Here is a short description of the related files.
File
Description
i8051_lib.vhd Defines a package that is used in all the VHDL files of the 8051 model. This package defines commonly used constants.
i8051_alu.vhd Model of an ALU that performs 8051 specific arithmetic. This model is described behaviorally as a combinational logic block.
i8051_dec.vhd Model of a decoder that decodes the non-uniform 8051 instructions into uniform representations, i.e., enumerated codes. This model is described as a data-flow implementing a combinational logic block.
i8051_ram.vhd Model of 128 bytes of RAM, specific to 8051, e.g., bit-addressable. This model is described behaviorally as a sequential logic block.
i8051_rom.vhd* Model of up to 64K bytes of ROM, specific to 8051. This model is automatically generated behaviorally, as a sequential logic block, using i8051_mkr.c.
i8051_ctr.vhd Model of the core 8051 processor. This model is described behaviorally as a sequential logic block.
i8051_dbg.vhd This entity is there for debugging only. Currently, it outputs a trace of each instruction that is executed.
i8051_all.vhd Model of a complete 8051 micro-controller. This model structurally combines the above logic blocks.
i8051_xrm.vhd Model of external SRAM that will interface to this 8051 micro-controller.
i8051_tsb.vhd Model of a test-bench for the 8051 micro-controller. This model is described behaviorally as an I/O-less sequential logic block. (It merely resets, then clocks the micro-controller for ever.)
i8051_mkr.c Program to convert an Intel 8051 HEX file into a ROM model, i.e., generates i8051_rom.vhd. You will need to compile this C/C++ file, say, gcc -Wall i8051_mkr.c, then run it with your HEX file as a command line argument to it, e.g., a.out myfile.hex.
syn_alu.inc, syn_dec.inc, syn_ram.inc, syn_rom.inc, syn_ctr.inc Include files, specific to dc_shell, that will synthesize the above VHDL models down to gate.
zsim.scr, zsyn.scr Script files that simulate/synthesize everything.
* Up to 4K ROM model of sort.c program.

Statistics

Here is some statistics that you may find interesting. These are obtained by synthesizing the models down to gate, using medium mapping effort. Library binding is to lsi_10k, supplied by Synopsys. No area/delay constraints have been specified. Machine in use has dual 200 MHz Ultra Sparc II processors.
Model
I/O Ports (bit)
Combinational Area (nand-gate)
Sequential Area (nand-gate)
Critical Path Length (ns)
Maximum Clock Speed (MHz)
Synth. Time (min)
I8051_ALU
50
2191
0
178
5.63
3
I8051_DEC
18
590
0
46.3
21.6
2
I8051_RAM
31
5237
8663
1.41
709
28
I8051_ROM*
23
1050
56
1.40
714
15
I8051_CTR
118
2202
998
1.77
565
17
* Up to 4K ROM model of sort.c program.

Test Files

This is a collection of test-files, in C format. Our test strategy has been to write programs (C), compile them into Intel 8051 binaries (HEX), convert these into ROM models (VHDL), then, simulate and observe the behavior

All Instructions

testall.c
testall.hex

This program will test all instructions except ACALL, LCALL, RET, RETI, and MOVX(1-4). Each instruction is tested at a very rudimentary level ( 1 - 3 tests per instruction). If applicable, the carry flag is also tested. If any instruction fails, the program will output the instruction number to P1 and then stop. Otherwise, 127 will be output to P1 when all instructions have passed.

Each instruction's test is separated within the program to facilitate easy expansion if desired. The on-chip RAM and the PSW are cleared before each instruction is tested.

The program uses the ASM directive to write source text into the .SRC file similar to in-line assembly. Therefore, to create the HEX file using the KEIL compiler, the steps are:

To use the HEX file follow the instructions provided in the help pages referenced at the bottom of this page.

Additional Test Files

These are some additional test files that may be useful for testing the 8051. Take a look at this table to get a feel for how well these test programs stress the 8051!
C
HEX
Size (byte)
Simulation Time (ns)
Signal Trace
negcnt.c negcnt.hex
39
270,000
P0 = 64, 65, 66, 67, 68, 69, 70, 71, 72, 73
gcd.c gcd.hex
51
327,000
P0 = 36, 25, 14, 3, 1
int2bin.c int2bin.hex
60
500,000
P0 = 0, 1, 0, 1, 0, 1, 0, 1
cast.c cast.hex
127
870,000
P0 = 01H, P1 = 23H, P2 = 45H, P3 = 67H
divmul.c divmul.hex
210
370,000
P0 = 10, 4, 134
fib.c fib.hex
305
1,042,000
P0 = 1, 1, 2, 3, 5, 8, 13, 21, 34, 55
sort.c sort.hex
544
3,600,000
P0 = 0, 10, 11, 12, 13, 14, 15, 16, 17, 18, 19
sqroot.c sqroot.hex
1121
4,000,000
P0 = 9, P1 = 16, P2 = 25, P3 = 5
xram.c xram.hex
67
37,000,000
/I8051_XRM/XRAM(...) = 1, 2, 3, 4, ...

Complete Source Code Archive

Here is were you'll find the latest (as well as older to oldest) source code in tared/gziped format.
Archive
Version
Date
Notes
source_2.8a.tar.gz
2.8a
7/25/2003 Fixed a problem with the DA instruction. We would like to thank Mark Hampton for finding the bug.
removed (7/16/2001)
2.9
2/20/2001 Fixed a harmless warning when compiling i8051_mkr.c. (Version 2.9 removed due to problems found when running certain test programs.)
source_2.8.tar.gz
2.8
1/22/2001 Fixed a problem with the DJNZ_2 instruction. When a jump was made, changing the resulting upper 8-bits of the PC value, the instruction would incorrectly update PC. (Many thanks to Greg Stitt for finding the bug.)
source_2.7.tar.gz
2.7
11/16/2000 Implemented external memory functionality. Added a model of SRAM. The testbench now connects an 8051 core with 2048 bytes of external memory that can be read/written via the MOVX instructions.
source_2.6.tar.gz
2.6
08/01/2000 Fixed a problem with INC_4 and DEC_4 instructions. (Many thanks to Shu-Yi Yu for letting us know about the problem and sending us some very helpful test code.)
source_2.5.tar.gz
2.5
07/14/2000 Added comments to the port signals used in this implementation.
source_2.4.tar.gz
2.4
11/23/1999 Fixed a bug in i8051_mkr.c that caused it to fail when non keil compiled hex files were being loaded. (Many thanks to Lars Wehmeyer who found and fixed the error and then sent us a patch.)
source_2.3.tar.gz
2.3
11/19/1999 Converted the i8051_mkr.cc file to i8051_mkr.c, i.e., a pure C file for greater portability. Fixed a bug in the I8051_ALU entity, more specifically, the divider unit. Removed the reference to I8051_LIB in the testbench (not needed there).
source_2.2.tar.gz
2.2
9/15/1999 Fixed a harmless warning when compiling i8051_mkr.cc. For consistency with the material on this page, made sort.hex the default program in i8051_rom.vhd.
source_2.1.tar.gz
2.1
8/15/1999 First released version.

Help Using Synopsys Design Compiler & Related Tools



Last Updated 2/20/2001