Microsystems Prototyping Laboratory


xnof201: 2 INPUT XNOR


Gate Level Schematic of the standard cell "xnof201".


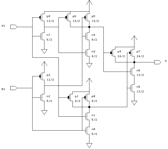
Schematic of the standard cell "xnof201" with device sizes in lambda.


Layout of the standard cell "xnof201"

here.


Logic Equation: O = (A1' * B1') + (A1 * B1)


Input(s): A1, B1


Output(s): O


Truth Table

-----------------
A	B	O
-----------------
0	0	1
0	1	0
1	0	0
1	1	1
-----------------


Terminal Location and Capacitance Table

--------------------------------------------
Name	X_loc	Y_loc	   Capacitance (fF)
	lambda  lambda   2U	1.2U	0.8U
--------------------------------------------
A1	13	25	88.5	41.7	26.2
B1	61.5	38	95.9	44.6	27.9
O	97	27	-	-	-
--------------------------------------------


Characterization Data