Microsystems Prototyping Laboratory


thnf311: T-FF W / ACTIVE HIGH ENABLE, Q, & Q_b


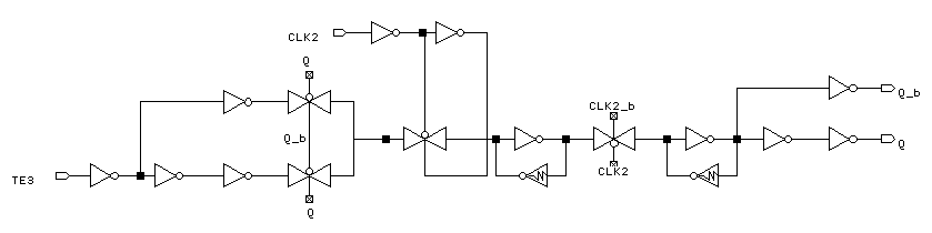
Gate Level Schematic of the standard cell "thnf311".


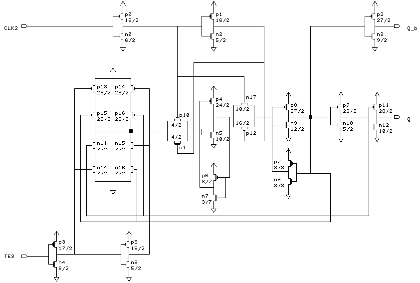
Schematic of the standard cell "thnf311" with device sizes in lambda.


Layout of the standard cell "thnf311"

here.


Logic Equation: Q = [(Qn-1 * CLK2) + (Qn-1' * CLK2')] * TE3 + (Qn-1 * TE3')

Q_b = Qn'


Input(s): CLK2, TE3


Output(s): Q, Q_b


Truth Table

------------------------------
CLK	TE	Q	Q_b
------------------------------
l2h	1	Qn-1	Qn-1'
h2l	1	Qn-1'	Qn-1
x	0	Qn-1	Qn-1'
------------------------------


Terminal Location and Capacitance Table

--------------------------------------------
Name	X_loc	Y_loc	   Capacitance (fF)
	lambda  lambda   2U	1.2U	0.8U
--------------------------------------------
CLK2	223	16	58.0	27.0	17.3
Q	16	24	-	-	-
Q_b	61	20	-	-	-
TE3	130	18	56.6	27.8	17.4
--------------------------------------------


Characterization Data