Microsystems Prototyping Laboratory


swcf020: T-GATE W / ACTIVE HIGH ENABLE


Gate Level Schematic of the standard cell "swcf020".


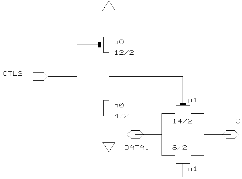
Schematic of the standard cell "swcf020" with device sizes in lambda.


Layout of the standard cell "swcf020"

here.


Logic Equation: O = DATA1 * CTL2

Hi-Z when CTL2 = 0


Input(s): CTL2, DATA1


Output(s): O


Truth Table

----------------------
CTL	DATA	O
----------------------
1	0	0
1	1	1
0	0	Z
0	1	Z
----------------------


Terminal Location and Capacitance Table

--------------------------------------------
Name	X_loc	Y_loc	   Capacitance (fF)
	lambda  lambda   2U	1.2U	0.8U
--------------------------------------------
CTL2	5	17	69.2	31.7	19.9
DATA1	25	40	128	101	83.1
O	33	19	-	-	-
--------------------------------------------


Characterization Data