Microsystems Prototyping Laboratory


nanf201: 2 INPUT NAND


Gate Level Schematic of the standard cell "nanf201".


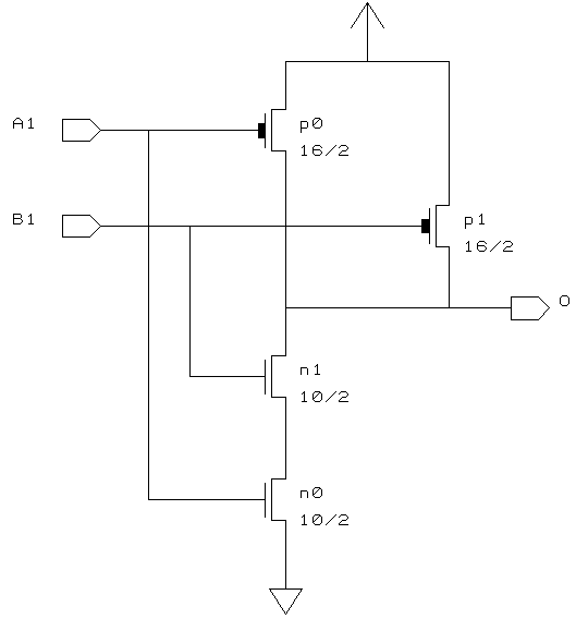
Schematic of the standard cell "nanf201" with device sizes in lambda.


Layout of the standard cell "nanf201"

here.


Logic Equation: O = (A1 * B1)'


Input(s): A1, B1


Output(s): O


Truth Table

-----------------
A	B	O
-----------------
0	0	1
0	1	1
1	0	1
1	1	0
-----------------


Terminal Location and Capacitance Table

--------------------------------------------
Name	X_loc	Y_loc	   Capacitance (fF)
	lambda  lambda   2U	1.2U	0.8U
--------------------------------------------
A1	10	23	66.5	31.1	20.4
B1	19	23	59.7	28.5	18.5
O	27	13	-	-	-
--------------------------------------------


Characterization Data