Microsystems Prototyping Laboratory


lhsf311: D-LATCH W / SET & ACTIVE HIGH CLOCK


Gate Level Schematic of the standard cell "lhsf311".


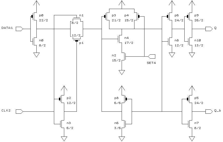
Schematic of the standard cell "lhsf311" with device sizes in lambda.


Layout of the standard cell "lhsf311"

here.


Logic Equation: Q = [(Qn-1 * CLK2') + (DATA1 * CLK2)] + SET4'

Q-b = Qn'


Input(s): CLK2, DATA1, SET4


Output(s): Q, Q_b


Truth Table

------------------------------------------
CLK	DATA	SET	Q	Q_b
------------------------------------------
0	x	1	Qn-1	Q_bn-1
1	0	1	0	1
1	1	1	1	0
x	x	0	1	0
------------------------------------------


Terminal Location and Capacitance Table

--------------------------------------------
Name	X_loc	Y_loc	   Capacitance (fF)
	lambda  lambda   2U	1.2U	0.8U
--------------------------------------------
CLK2	20.5	28	75.2	55.9	35.3
DATA1	12	28	72.6	58.2	39.7
Q	123	28	-	-	-
Q_b	147	20	-	-	-
SET4	70.25	25	78.1	58.9	39.6
--------------------------------------------


Characterization Data