Microsystems Prototyping Laboratory


lhrf311: D-LATCH W / RST & ACTIVE HIGH CLOCK


Gate Level Schematic of the standard cell "lhrf311".


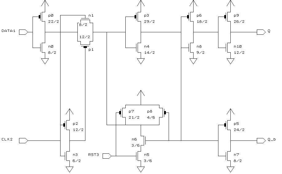
Schematic of the standard cell "lhrf311" with device sizes in lambda.


Layout of the standard cell "lhrf311"

here.


Logic Equation: Q = [(Qn-1 * CLK2') + (DATA1 * CLK2)] * RST3

Q-b = Qn'


Input(s): CLK2, DATA1, RST3


Output(s): Q, Q_b


Truth Table

------------------------------------------
CLK	DATA	RST	Q	Q_b
------------------------------------------
0	x	1	Qn-1	Q_bn-1
1	0	1	0	1
1	1	1	1	0
x	x	0	0	1
------------------------------------------


Terminal Location and Capacitance Table

--------------------------------------------
Name	X_loc	Y_loc	   Capacitance (fF)
	lambda  lambda   2U	1.2U	0.8U
--------------------------------------------
CLK2	20	28	71.9	55.9	35.2
DATA1	12	28	72.7	58.2	39.6
Q	141	28	-	-	-
Q_b	162	20	-	-	-
RST3	89	23	71.0	52.6	38.1
--------------------------------------------


Characterization Data