Microsystems Prototyping Laboratory


lhnf311: D - LATCH W / ACTIVE HIGH CLK


Gate Level Schematic of the standard cell "lhnf311".


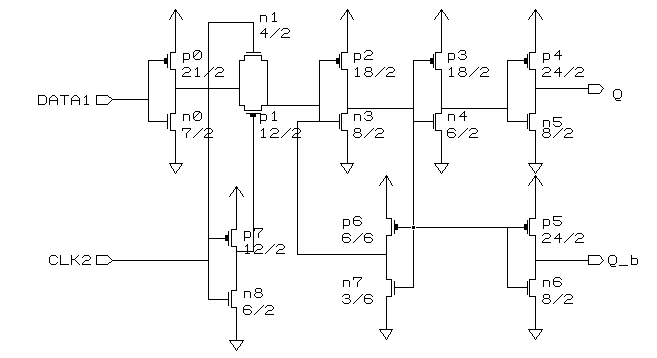
Schematic of the standard cell "lhnf311" with device sizes in lambda.


Layout of the standard cell "lhnf311"

here.


Logic Equation: Q = (Qn-1 * CLK2') + (D1 * CLK2)


Input(s): CLK2, DATA1


Output(s): Q, Q_b


Truth Table

----------------------------------
CLK2	DATA1	Q	Q_b
----------------------------------
0	x	Qn-1	Q_bn-1
1	0	0	1
1	1	1	0
----------------------------------


Terminal Location and Capacitance Table

--------------------------------------------
Name	X_loc	Y_loc	   Capacitance (fF)
	lambda  lambda   2U	1.2U	0.8U
--------------------------------------------
CLK2	44	23	67.9	53.4	42.4
DATA1	4.5	20	70.6	57.3	48.4
Q	128	28	-	-	-
Q_b	104	26	-	-	-
--------------------------------------------


Characterization Data