Microsystems Prototyping Laboratory


lhbf311: D - LATCH W / SET, RST, & ACTIVE HIGH CLK


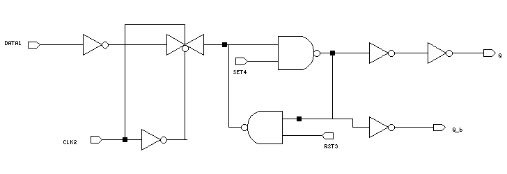
Gate Level Schematic of the standard cell "lhbf311".


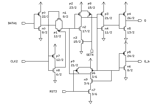
Schematic of the standard cell "lhbf311" with device sizes in lambda.


Layout of the standard cell "lhbf311"

here.


Logic Equation: Q = {[(Qn-1 * CLK2') + (DATA1 * CLK2)] * RST3} + SET4'


Input(s): CLK2, DATA1, RST3, SET4


Output(s): Q, Q_b


Truth Table

--------------------------------------------------------
CLK2	DATA1	RST3	SET4	Q	Q_b
--------------------------------------------------------
0	x	1	1	Qn-1	Q_bn-1
1	0	1	1	0	1
1	1	1	1	1	0
x	x	0	1	0	1
x	x	1	0	1	0
--------------------------------------------------------


Terminal Location and Capacitance Table

--------------------------------------------
Name	X_loc	Y_loc	   Capacitance (fF)
	lambda  lambda   2U	1.2U	0.8U
--------------------------------------------
CLK2	40.5	20	72.3	55.9	45.1
DATA1	4.5	21	74.0	50.9	52.2
Q	167	26.5	-	-	-
Q_b	143	26	-	-	-
RST3	48.75	26	70.8	54.3	51.5
SET4	83	28.5	78.8	60.3	50.5
--------------------------------------------


Characterization Data