Microsystems Prototyping Laboratory


lanf401: CROSS COUPLED INVERTER


Gate Level Schematic of the standard cell "lanf401".


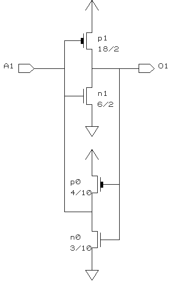
Schematic of the standard cell "lanf401" with device sizes in lambda.


Layout of the standard cell "lanf401"

here.


Logic Equation: O1 = A1'


Input(s): A1


Output(s): O1


Truth Table

---------
A	O
---------
0	1
1	0
---------


Terminal Location and Capacitance Table

--------------------------------------------
Name	X_loc	Y_loc	   Capacitance (fF)
	lambda  lambda   2U	1.2U	0.8U
--------------------------------------------
A1	13	37	97.8	48.5	32.2
O1	4	20	-	-	-
--------------------------------------------


Characterization Data