Microsystems Prototyping Laboratory


invf181: ENABLED INVERTER W / SET


Gate Level Schematic of the standard cell "invf181".


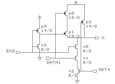
Schematic of the standard cell "invf181" with device sizes in lambda.


Layout of the standard cell "invf181"

here.


Logic Equation:


Input(s): DATA1, EN2, SET4


Output(s): O


Truth Table

----------------------------------
EN2	DATA1	SET4	O
----------------------------------
x	x	0	1
0	x	1	z
1	DATA1	1	DATA1'
----------------------------------


Terminal Location and Capacitance Table

--------------------------------------------
Name	X_loc	Y_loc	   Capacitance (fF)
	lambda  lambda   2U	1.2U	0.8U
--------------------------------------------
DATA1	28	29	64.7	31.2	26.0
EN2	39	23	79.3	38.0	31.7
O	16.5	33	-	-	-
SET4	7	35	59.5	28.0	23.1
--------------------------------------------


Characterization Data