Microsystems Prototyping Laboratory


invf161: ENABLED INVERTER W / SET & RST


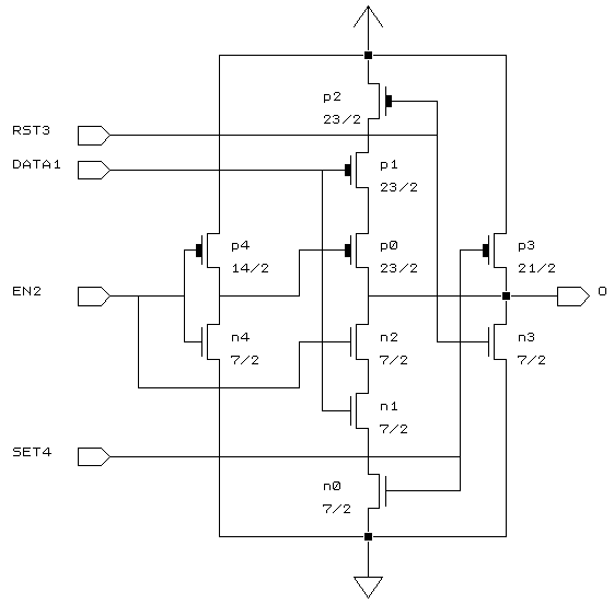
Gate Level Schematic of the standard cell "invf161".


Schematic of the standard cell "invf161" with device sizes in lambda.


Layout of the standard cell "invf161"

here.


Logic Equation: O = (DATA1' * EN2 * RST3') + SET4'


Input(s): DATA1, EN2, RST3, SET4


Output(s): O


Truth Table

-----------------------------------------
EN	DATA	SET	RST	O
-----------------------------------------
0	0	0	0	1
0	0	0	1	+
0	0	1	0	Z
0	0	1	1	0
0	1	0	0	1
0	1	0	1	+
0	1	1	0	Z
0	1	1	1	0
1	0	0	0	1
1	0	0	1	+
1	0	1	0	1
1	0	1	1	0
1	1	0	0	1
1	1	0	1	+
1	1	1	0	0
1	1	1	1	0
-----------------------------------------


Terminal Location and Capacitance Table

--------------------------------------------
Name	X_loc	Y_loc	   Capacitance (fF)
	lambda  lambda   2U	1.2U	0.8U
--------------------------------------------
DATA1	32	28	68.2	33.1	21.9
EN2	7.5	20	77.8	36.3	23.0
O	58	18	-	-	-
RST3	40	37	59.3	29.1	19.6
SET4	50	29	73.2	35.2	22.9
--------------------------------------------


Characterization Data