Microsystems Prototyping Laboratory


invf121: TRI-STATE INVERTER


Gate Level Schematic of the standard cell "invf121".


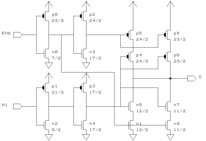
Schematic of the standard cell "invf121" with device sizes in lambda.


Layout of the standard cell "invf121"

here.


Logic Equation: O = A1' * ENb'


Input(s): A1, ENb


Output(s): O


Truth Table

--------------------
ENb	A1	O
--------------------
0	0	1
0	1	0
1	X	Z
--------------------


Terminal Location and Capacitance Table

--------------------------------------------
Name	X_loc	Y_loc	   Capacitance (fF)
	lambda  lambda   2U	1.2U	0.8U
--------------------------------------------
A1	12	27	73.3	36.3	23.6
ENb	94	32	73.0	36.2	23.6
O	53	31.5	-	-	-
--------------------------------------------


Characterization Data