Microsystems Prototyping Laboratory


invf103: 3X INVERTING BUFFER


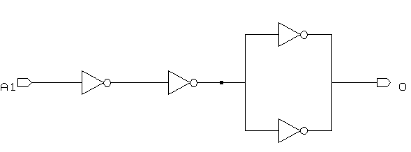
Gate Level Schematic of the standard cell "invf103".


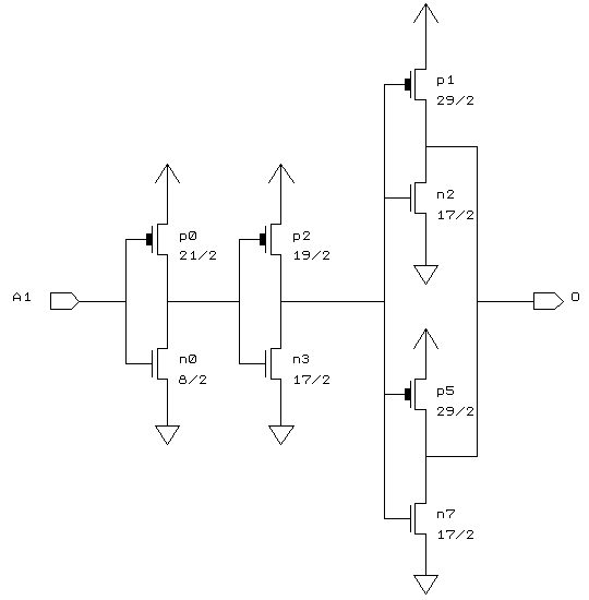
Schematic of the standard cell "invf103" with device sizes in lambda.


Layout of the standard cell "invf103"

here.


Logic Equation: O = A1'


Input(s): A1


Output(s): O


Truth Table

---------
A	O
---------
0	1
1	0
---------


Terminal Location and Capacitance Table

--------------------------------------------
Name	X_loc	Y_loc	   Capacitance (fF)
	lambda  lambda   2U	1.2U	0.8U
--------------------------------------------
A1	12.5	28	71.0	35.0	22.8
O	49	28	-	-	-
--------------------------------------------


Characterization Data