Microsystems Prototyping Laboratory


buff101: NON-INVERTING BUFFER


Gate Level Schematic of the standard cell "buff101".


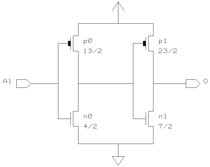
Schematic of the standard cell "buff101" with device sizes in lambda.


Layout of the standard cell "buff101"

here.


Logic Equation: O = A1


Input(s): A1


Output(s): O


Truth Table

---------
A	O
---------
0	0
1	1
---------


Terminal Location and Capacitance Table

--------------------------------------------
Name	X_loc	Y_loc	   Capacitance (fF)
	lambda  lambda   2U	1.2U	0.8U
--------------------------------------------
A1	14.5	20	49.6	23.3	14.7
O	28	18	-	-	-
--------------------------------------------


Characterization Data