Microsystems Prototyping Laboratory


blf00401: 2 / 2 OR / NAND / AND MUX


Gate Level Schematic of the standard cell "blf00401".


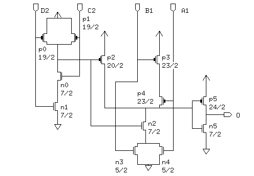
Schematic of the standard cell "blf00401" with device sizes in lambda.


Layout of the standard cell "blf00401"

here.


Logic Equation:


Input(s): A1, B1, C2, D2


Output(s): O


Truth Table

---------------------------------
A	B	C	D	O
---------------------------------
0	0	x	x	0
x	x	1	1	0
1	x	0	x	1
1	x	x	0	1
x	1	0	x	1
x	1	x	0	1
---------------------------------


Terminal Location and Capacitance Table

--------------------------------------------
Name	X_loc	Y_loc	   Capacitance (fF)
	lambda  lambda   2U	1.2U	0.8U
--------------------------------------------
A1	50	18	65.0	32.3	27.4
B1	63	20.05	69.5	34.4	28.8
C2	24.5	31	62.1	30.8	25.8
D2	7	28	66.7	32.5	27.2
O	82.45	24	-	-	-
--------------------------------------------


Characterization Data