here.
----------------------------------------------------------------- A B C D E F G H O ----------------------------------------------------------------- 1 1 1 1 x x x x 1 x x x x 1 1 1 1 1 0 x x x 0 x x x 0 0 x x x x 0 x x 0 0 x x x x x 0 x 0 0 x x x x x x 0 0 x 0 x x 0 x x x 0 x 0 x x x 0 x x 0 x 0 x x x x 0 x 0 x 0 x x x x x 0 0 x x 0 x 0 x x x 0 x x 0 x x 0 x x 0 x x 0 x x x 0 x 0 x x 0 x x x x 0 0 x x x 0 0 x x x 0 x x x 0 x 0 x x 0 x x x 0 x x 0 x 0 x x x 0 x x x 0 0 -----------------------------------------------------------------
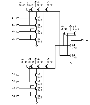
-------------------------------------------- Name X_loc Y_loc Capacitance (fF) lambda lambda 2U 1.2U 0.8U -------------------------------------------- A1 49.15 23 63.8 31.2 22.1 B1 30.95 28 63.1 30.5 22.6 C1 16 23 62.0 29.8 22.7 D1 5.8 21.5 69.4 33.1 23.3 E2 137.15 27 63.8 31.2 22.1 F2 118.9 28 63.1 30.5 22.6 G2 104 23 62.0 29.8 22.7 H2 94.5 22.5 69.2 33.0 23.3 O 72 29 - - - --------------------------------------------