Microsystems Prototyping Laboratory


aof2301: 2 / 3 AND / OR MUX


Gate Level Schematic of the standard cell "aof2301".


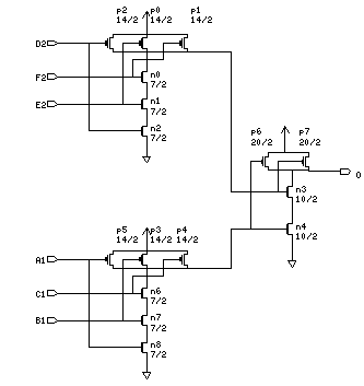
Schematic of the standard cell "aof2301" with device sizes in lambda.


Layout of the standard cell "aof2301"

here.


Logic Equation: O = A1 * B1 * C1 + D2 * E2 * F2


Input(s): A1, B1, C1, D2, E2, F2


Output(s): O


Truth Table

-------------------------------------------------
A	B	C	D	E	F	O
-------------------------------------------------
1	1	1	x	x	x	1
x	x	x	1	1	1	1
0	x	x	0	x	x	0
0	x	x	x	0	x	0
0	x	x	x	x	0	0
x	0	x	0	x	x	0
x	0	x	x	0	x	0
x	0	x	x	x	0	0
x	x	0	0	x	x	0
x	x	0	x	0	x	0
x	x	0	x	x	0	0
-------------------------------------------------


Terminal Location and Capacitance Table
--------------------------------------------
Name	X_loc	Y_loc	   Capacitance (fF)
	lambda  lambda   2U	1.2U	0.8U
--------------------------------------------
A1	8.4	22	59.6	27.6	18.6
B1	16	30	53.3	24.8	17.9
C1	32	30	52.7	25.0	17.1
D2	81	37	61.0	28.2	18.6
E2	92	30	53.3	24.8	17.9
F2	104	35	52.1	24.7	17.1
O	60.05	31.3	-	-	-
--------------------------------------------


Characterization Data