sig_identifier <= val_expr after delay { , val_expr after delay } ;
where the curly brackets mean the enclosed part may be repeated any number of times.
Synthesis tools generally require that only single events be specified for waveforms. No general mechanism for synthesizing waveform sequences exists.
S <= Wa when c0 else Wb ;
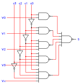
S <= W0 when c0 W1 when c1 W2 when c2 else Wx ;Note: Priority encoding is required when more than one condition might be true at the same time. VHDL rules that the condition appearing first in the statement has the priority.
S <= X when C ;
Memory is implied where no else clause is provided. In the simulation model, no event is implied when the condition is false, so the signal retains its old value. I.e., it has memory.
Examples:
Q <= D when rising_edge (clock); B <= A when phase_a = '1' ;
-- for simple AND enabling B <= A when enable else ( others => '0'); -- for tri-state driver output B <= A when enable else ( others => 'Z');
Therefore, the range of values for the selector must be restricted
For example, a useful selector might be
type ccodes is (uncond, zero, less, lteq, never, nzro, gteq, grtr ); signal cc : ccodes; ... with cc select ....On the other hand, a declaration
signal csel : integer;
could call for a 2**32-1 sized multiplexer. This is hardly something we would want to build! Even where address decoding is required the range should be 0 to 255 or so, the address partitioned to correspond to the decoding method being used.
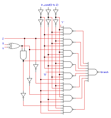
Example: Consider a simplified branch condition selector for a microprocessor. Typically the cond of the instruction specifies which of several logical expressions of status flipflops is to be used.
With IR_cond select branch <= '1' when uncond , Z when zero , S xor V when less , (S xor V) and Z when lteq , '0' when never , not Z when nzro , not(S xor V) when gteq , not(S xor V) and Z when grtr ;
USE work.std_logic_1164.all; ENTITY ALU is -- Generic delays, with default values generic ( cout_delay: time := 3 ns; -- carry out delay reg_delay: time := 8 ns); -- register delay -- IO ports port ( -- Data Out (latched) dout: out std_logic_vector; -- A leg and B leg inputs a, b: in std_logic_vector; -- Carry in, 1 bit cin: in std_logic; -- Carry Out, 1 bit, unlatched cout: out std_logic; -- Function select (2 bits) -- 00 ==> ADD -- 01 ==> OR -- 10 ==> AND -- 11 ==> XOR func_sel: in std_logic_vector (0 to 1); -- Result register clock (rising edge) clk: in std_logic); end ALU;Notes:
USE work.ALU_funcs.add_w_carry; ARCHITECTURE concurrent of ALU is constant XOUT: std_logic_vector(0 to dout'length) := (others=>'X') -- ALU output: carry concatentated to left end makes an extra bit signal ALUout: std_logic_vector(0 to dout'length); signal ResReg: std_logic_vector(0 to dout'length) register; -- Opcode interpretation constant OPADD: std_logic_vector := "00"; constant OPOR: std_logic_vector := "01"; constant OPAND: std_logic_vector := "10"; constant OPXOR: std_logic_vector := "11"; begin with func_sel select ALUout <= '0' & (a OR b) when OPOR, '0' & (a AND b) when OPAND, '0' & (a XOR b) when OPXOR, add_w_carry(a,b,cin) when OPADD, -- where add_w_carry returns a value -- one greater than the size of its inputs XOUT when OTHERS; reg_clk: block (rising_edge(clk)) begin ResReg <= guarded ALUout(1 to dout'length); end block; cout <= ALUout(0) after cout_delay; dout <= ResReg after reg_delay; END concurrent;
Rev. 9/8/95 B. Huey