ARCHITECTURE functional OF bit_comparator IS

FUNCTION fgl (w, x, gl : BIT) RETURN BIT IS

BEGIN

RETURN (w AND gl) OR (NOT x AND gl) OR (w AND NOT x);

END fgl;

FUNCTION feq (w, x, eq : BIT) RETURN BIT IS

BEGIN

RETURN (w AND x AND eq) OR (NOT w AND NOT x AND eq);

END feq;

BEGIN

a_gt_b <= fgl (a, b, gt) AFTER 12 NS;

a_eq_b <= feq (a, b, eq) AFTER 12 NS;

a_lt_b <= fgl (b, a, lt) AFTER 12 NS;

END functional;

 

 

 

FIGURE 6. 1

A functional bit_comparator, using the same function for two outputs.

 

FIGURE 6. 2

Syntax details of a subprogram body, a general view.

ARCHITECTURE structural OF nibble_comparator IS

COMPONENT comp1

PORT (a, b, gt, eq, lt : IN BIT; a_gt_b, a_eq_b, a_lt_b : OUT BIT);

END COMPONENT;

FOR ALL : comp1 USE ENTITY WORK.bit_comparator (functional);

CONSTANT n : INTEGER := 4;

SIGNAL im : BIT_VECTOR ( 0 TO (n-1)*3-1);

BEGIN

c_all: FOR i IN 0 TO n-1 GENERATE

l: IF i = 0 GENERATE

least: comp1 PORT MAP (a(i), b(i), gt, eq, lt, im(0), im(1), im(2) );

END GENERATE;

m: IF i = n-1 GENERATE

most: comp1 PORT MAP (a(i), b(i), im(i*3-3), im(i*3-2), im(i*3-1),

a_gt_b, a_eq_b, a_lt_b);

END GENERATE;

r: IF i > 0 AND i < n-1 GENERATE

rest: comp1 PORT MAP (a(i), b(i), im(i*3-3), im(i*3-2), im(i*3-1),

im(i*3+0), im(i*3+1), im(i*3+2) );

END GENERATE;

END GENERATE;

END structural;

 

FIGURE 6. 3

Structural architecture of a nibble_comparator.

ARCHITECTURE procedural OF nibble_comparator_test_bench IS

TYPE integers IS ARRAY (0 TO 12) OF INTEGER;

PROCEDURE apply_data (SIGNAL target : OUT BIT_VECTOR (3 DOWNTO 0);

CONSTANT values : IN integers;

CONSTANT period : IN TIME) IS

VARIABLE j : INTEGER;

VARIABLE tmp, pos : INTEGER := 0;

VARIABLE buf : BIT_VECTOR (3 DOWNTO 0);

BEGIN

FOR i IN 0 TO 12 LOOP

tmp := values (i);

j := 0;

WHILE j <= 3 LOOP

IF (tmp MOD 2 = 1) THEN

buf (j) := '1';

ELSE buf (j) := '0';

END IF;

tmp := tmp / 2;

j := j + 1;

END LOOP;

target <= TRANSPORT buf AFTER i * period;

END LOOP;

END apply_data;

COMPONENT comp4 PORT (a, b : IN bit_vector (3 DOWNTO 0);

gt, eq, lt : IN BIT;

a_gt_b, a_eq_b, a_lt_b : OUT BIT);

END COMPONENT;

FOR a1 : comp4 USE ENTITY WORK.nibble_comparator(structural);

SIGNAL a, b : BIT_VECTOR (3 DOWNTO 0);

SIGNAL eql, lss, gtr : BIT;

SIGNAL vdd : BIT := '1';

SIGNAL gnd : BIT := '0';

BEGIN

a1: comp4 PORT MAP (a, b, gnd, vdd, gnd, gtr, eql, lss);

apply_data (a, 00&15&15&14&14&14&14&10&00&15&00&00&15, 500 NS);

apply_data (b, 00&14&14&15&15&12&12&12&15&15&15&00&00, 500 NS);

END procedural;

 

FIGURE 6. 4

Procedural architecture of nibble_comparator.

 

TIME

(NS)

SIGNALS

a(3:0)

b(3:0)

gtr

eql

lss

           

0

"0000"

"0000"

'0'

'0'

'0'

48

......

......

...

'1'

...

500

"1111"

"1110"

...

...

...

548

......

......

'1'

'0'

...

1500

"1110"

"1111"

...

...

...

1548

......

......

'0'

...

'1'

2500

......

"1100"

...

...

...

2536

......

......

'1'

...

'0'

3500

"1010"

......

...

...

...

3524

......

......

'0'

...

'1'

4000

"0000"

"1111"

...

...

...

4500

"1111"

......

...

...

...

4548

......

......

...

'1'

'0'

5000

"0000"

......

...

...

...

5012

......

......

...

'0'

'1'

5500

......

"0000"

...

...

...

5548

......

......

...

'1'

'0'

6000

"1111"

......

...

...

...

6012

......

......

'1'

'0'

...

 

FIGURE 6. 5

Simulation report resulting from the procedural test bench. All events are observed.

 

FIGURE 6. 6

Details of a subprogram body.

 

FIGURE 6. 7

Loop statement with FOR iteration scheme.

 

 

FIGURE 6. 8

Details of the If statement of apply_data procedure.

PROCEDURE bin2int (bin : IN BIT_VECTOR; int : OUT INTEGER) IS

VARIABLE result: INTEGER;

BEGIN

result := 0;

FOR i IN bin'RANGE LOOP

IF bin(i) = '1' THEN

result := result + 2**i;

END IF;

END LOOP;

int := result;

END bin2int;

 

FIGURE 6. 9

Procedure for binary to integer conversion.

PROCEDURE int2bin (int : IN INTEGER; bin : OUT BIT_VECTOR) IS VARIABLE tmp : INTEGER;

BEGIN

tmp := int;

FOR i IN 0 TO (bin'LENGTH - 1) LOOP

IF (tmp MOD 2 = 1) THEN

bin (i) := '1';

ELSE bin (i) := '0';

END IF;

tmp := tmp / 2;

END LOOP;

END int2bin;

 

FIGURE 6. 10

Procedure for integer to binary conversion.

PROCEDURE apply_data (

SIGNAL target : OUT BIT_VECTOR (3 DOWNTO 0);

CONSTANT values : IN integers;

CONSTANT period : IN TIME)

IS VARIABLE buf : BIT_VECTOR (3 DOWNTO 0);BEGIN FOR i IN 0 TO 12 LOOP int2bin (values(i), buf); target <= TRANSPORT buf AFTER i * period;

END LOOP;

END apply_data;

 

 

 

 

FIGURE 6. 11

Another version of apply_data procedure. This version takes advantage of the int2bin procedure.

FUNCTION to_integer (bin : BIT_VECTOR) RETURN INTEGER IS VARIABLE result: INTEGER;BEGIN result := 0; FOR i IN bin'RANGE LOOP IF bin(i) = '1' THEN result := result + 2**i;

END IF;

END LOOP;

RETURN result;

END to_integer;

 

FIGURE 6. 12

Binary to integer conversion function.

PACKAGE simple_gates IS

COMPONENT n1

PORT (i1: IN BIT; o1: OUT BIT);

END COMPONENT;

COMPONENT n2

PORT (i1: i2: IN BIT; o1: OUT BIT);

END COMPONENT;

COMPONENT n3

PORT (i1, i2, i3: IN BIT; o1: OUT BIT);

END COMPONENT;

END simple_gates;

 

FIGURE 6. 13

A package declaration containing component declarations of simple gates.

USE WORK.simple_gates.ALL;

ARCHITECTURE gate_level OF bit_comparator IS

FOR ALL : n1 USE ENTITY WORK.inv (single_delay); FOR ALL : n2 USE ENTITY WORK.nand2 (single_delay);

FOR ALL : n3 USE ENTITY WORK.nand3 (single_delay);

-- Intermediate signals

SIGNAL im1,im2, im3, im4, im5, im6, im7, im8, im9, im10 : BIT;

BEGIN

-- a_gt_b output

g0 : n1 PORT MAP (a, im1);

g1 : n1 PORT MAP (b, im2);

g2 : n2 PORT MAP (a, im2, im3);

g3 : n2 PORT MAP (a, gt, im4);

g4 : n2 PORT MAP (im2, gt, im5);

g5 : n3 PORT MAP (im3, im4, im5, a_gt_b);

-- a_eq_b output

g6 : n3 PORT MAP (im1, im2, eq, im6);

g7 : n3 PORT MAP (a, b, eq, im7);

g8 : n2 PORT MAP (im6, im7, a_eq_b);

-- a_lt_b output

g9 : n2 PORT MAP (im1, b, im8);

g10 : n2 PORT MAP (im1, lt, im9);

g11 : n2 PORT MAP (b, lt, im10);

g12 : n3 PORT MAP (im8, im9, im10, a_lt_b);

END gate_level;

 

FIGURE 6. 14

Using package of simple gates in gate_level of bit_comparator.

USE

WORK.simple_gates.n1,

WORK.simple_gates.n2,

WORK.simple_gates.n3,

.

-- n1, n2 and n3 component declarations are visible

.

 

FIGURE 6. 15

An alternative application of the use clause.

PACKAGE basic_utilities IS TYPE integers IS ARRAY (0 TO 12) OF INTEGER;

FUNCTION fgl (w, x, gl : BIT) RETURN BIT;

FUNCTION feq (w, x, eq : BIT) RETURN BIT;

PROCEDURE bin2int (bin : IN BIT_VECTOR; int : OUT INTEGER);

PROCEDURE int2bin (int : IN INTEGER; bin : OUT BIT_VECTOR);

PROCEDURE apply_data (

SIGNAL target : OUT BIT_VECTOR (3 DOWNTO 0);

CONSTANT values : IN integers; CONSTANT period : IN TIME);

FUNCTION to_integer (bin : BIT_VECTOR) RETURN INTEGER;END basic_utilities;

FIGURE 6.16a

The basic_utilities package declaration.

 

PACKAGE BODY basic_utilities IS FUNCTION fgl (w, x, gl : BIT) RETURN BIT IS BEGIN RETURN (w AND gl) OR (NOT x AND gl) OR (w AND NOT x); END fgl;

FUNCTION feq (w, x, eq : BIT) RETURN BIT IS BEGIN

RETURN (w AND x AND eq) OR (NOT w AND NOT x AND eq);

END feq;

PROCEDURE bin2int (bin : IN BIT_VECTOR; int : OUT INTEGER) IS

VARIABLE result: INTEGER;

BEGIN

result := 0;

FOR i IN bin'RANGE LOOP

IF bin(i) = '1' THEN

result := result + 2**i;

END IF;

END LOOP;

int := result;

END bin2int;

PROCEDURE int2bin (int : IN INTEGER; bin : OUT BIT_VECTOR) IS

VARIABLE tmp : INTEGER;

VARIABLE buf : BIT_VECTOR (bin'RANGE);

BEGIN

tmp := int;

FOR i IN 0 TO (bin'LENGTH - 1) LOOP

IF (tmp MOD 2 = 1) THEN

bin (i) := '1';

ELSE bin (i) := '0'; END IF;

tmp := tmp / 2;

END LOOP;

END int2bin;

PROCEDURE apply_data (

SIGNAL target : OUT BIT_VECTOR (3 DOWNTO 0);

CONSTANT values : IN integers; CONSTANT period : IN TIME) IS

VARIABLE buf : BIT_VECTOR (3 DOWNTO 0);

BEGIN

FOR i IN 0 TO 12 LOOP

int2bin (values(i), buf);

target <= TRANSPORT buf AFTER i * period;

END LOOP;

END apply_data;

FUNCTION to_integer (bin : BIT_VECTOR) RETURN INTEGER IS VARIABLE result: INTEGER; BEGIN result := 0; FOR i IN bin'RANGE LOOP IF bin(i) = '1' THEN result := result + 2**i;

END IF; END LOOP;

RETURN result;

END to_integer;

END basic_utilities;

FIGURE 6.16b The basic_utilities package body. FIGURE 6. 16 basic_utilities package. (a) declaration, (b) body.

USE WORK.basic_utilities.ALL;

ARCHITECTURE functional OF bit_comparator IS

BEGIN

a_gt_b <= fgl (a, b, gt) AFTER 12 NS;

a_eq_b <= feq (a, b, eq) AFTER 12 NS;

a_lt_b <= fgl (b, a, lt) AFTER 12 NS;

END functional;

 

FIGURE 6. 17

Using functions of the basic_utilities package.

USE WORK.basic_utilities.ALL;

ARCHITECTUR procedural OF nibble_comparator_test_bench IS

COMPONENT comp4 PORT (

a, b : IN bit_vector (3 DOWNTO 0); gt, eq, lt : IN BIT;

a_gt_b, a_eq_b, a_lt_b : OUT BIT);

END COMPONENT;

FOR a1 : comp4 USE ENTITY WORK.nibble_comparator(structural);

SIGNAL a, b : BIT_VECTOR (3 DOWNTO 0);

SIGNAL eql, lss, gtr : BIT;

SIGNAL vdd : BIT := '1';

SIGNAL gnd : BIT := '0';

BEGIN

a1: comp4 PORT MAP (a, b, gnd, vdd, gnd, gtr, eql, lss);

apply_data (a, 0&15&15&14&14&14&14&10&00&15&00&00&15, 500 NS);

apply_data (b, 0&14&14&15&15&12&12&12&15&15&15&00&00, 500 NS);

END procedural;

 

FIGURE 6. 18

Using procedures of the basic_utilities package.

 

ENTITY inv_t IS

GENERIC (tplh : TIME := 5 NS; tphl : TIME := 3 NS);

PORT (i1 : IN BIT; o1 : OUT BIT);

END inv_t;

--

ARCHITECTURE average_delay OF inv_t IS

BEGIN

o1 <= NOT i1 AFTER (tplh + tphl) / 2;

END average_delay;

 

 

ENTITY nand2_t IS

GENERIC (tplh : TIME := 6 NS; tphl : TIME := 4 NS);

PORT (i1, i2 : IN BIT; o1 : OUT BIT);

END nand2_t;

--

ARCHITECTURE average_delay OF nand2_t IS

BEGIN

o1 <= i1 NAND i2 AFTER (tplh + tphl) / 2;

END average_delay;

 

ENTITY nand3_t IS

GENERIC (tplh : TIME := 7 NS; tphl : TIME := 5 NS);

PORT (i1, i2, i3 : IN BIT; o1 : OUT BIT);

END nand3_t;

--

ARCHITECTURE average_delay OF nand3_t IS

BEGIN

o1 <= NOT ( i1 AND i2 AND i3 ) AFTER (tplh + tphl) / 2;

END average_delay;

 

FIGURE 6. 19

Parametrized gate models.

 

FIGURE 6. 20

Details of the entity declaration of inverter with generics.

 

FIGURE 6. 21

Interface aspects of inv_t, nand2_t, and nand3_t.

ARCHITECTURE default_delay OF bit_comparator IS

COMPONENT n1 PORT (i1: IN BIT; o1: OUT BIT); END COMPONENT;

COMPONENT n2 PORT (i1, i2: IN BIT; o1: OUT BIT); END COMPONENT;

COMPONENT n3 PORT (i1, i2, i3: IN BIT; o1: OUT BIT);

END COMPONENT;

FOR ALL : n1 USE ENTITY WORK.inv_t (average_delay);

FOR ALL : n2 USE ENTITY WORK.nand2_t (average_delay);

FOR ALL : n3 USE ENTITY WORK.nand3_t (average_delay);

-- Intermediate signals

SIGNAL im1,im2, im3, im4, im5, im6, im7, im8, im9, im10 : BIT;

BEGIN

-- a_gt_b output

g0 : n1 PORT MAP (a, im1);

g1 : n1 PORT MAP (b, im2);

g2 : n2 PORT MAP (a, im2, im3);

g3 : n2 PORT MAP (a, gt, im4);

g4 : n2 PORT MAP (im2, gt, im5);

g5 : n3 PORT MAP (im3, im4, im5, a_gt_b);

-- a_eq_b output

g6 : n3 PORT MAP (im1, im2, eq, im6);

g7 : n3 PORT MAP (a, b, eq, im7);

g8 : n2 PORT MAP (im6, im7, a_eq_b);

-- a_lt_b output

g9 : n2 PORT MAP (im1, b, im8);

g10 : n2 PORT MAP (im1, lt, im9);

g11 : n2 PORT MAP (b, lt, im10);

g12 : n3 PORT MAP (im8, im9, im10, a_lt_b);

END default_delay;

 

FIGURE 6. 22

Using default values for the generics of logic gates.

ARCHITECTURE fixed_delay OF bit_comparator IS

COMPONENT n1

GENERIC (tplh, tphl : TIME); PORT (i1: IN BIT; o1: OUT BIT);

END COMPONENT;

COMPONENT n2

GENERIC (tplh, tphl : TIME); PORT (i1, i2: IN BIT; o1: OUT BIT);

END COMPONENT;

COMPONENT n3

GENERIC (tplh, tphl : TIME); PORT (i1, i2, i3: IN BIT; o1: OUT BIT);

END COMPONENT;

FOR ALL : n1 USE ENTITY WORK.inv_t (average_delay);

FOR ALL : n2 USE ENTITY WORK.nand2_t (average_delay);

FOR ALL : n3 USE ENTITY WORK.nand3_t (average_delay);

-- Intermediate signals

SIGNAL im1,im2, im3, im4, im5, im6, im7, im8, im9, im10 : BIT;

BEGIN

-- a_gt_b output

g0 : n1 GENERIC MAP (2 NS, 4 NS) PORT MAP (a, im1);

g1 : n1 GENERIC MAP (2 NS, 4 NS) PORT MAP (b, im2);

g2 : n2 GENERIC MAP (3 NS, 5 NS) PORT MAP (a, im2, im3);

g3 : n2 GENERIC MAP (3 NS, 5 NS) PORT MAP (a, gt, im4);

g4 : n2 GENERIC MAP (3 NS, 5 NS) PORT MAP (im2, gt, im5);

g5 : n3 GENERIC MAP (4 NS, 6 NS) PORT MAP (im3, im4, im5, a_gt_b);

-- a_eq_b output

g6 : n3 GENERIC MAP (4 NS, 6 NS) PORT MAP (im1, im2, eq, im6);

g7 : n3 GENERIC MAP (4 NS, 6 NS) PORT MAP (a, b, eq, im7);

g8 : n2 GENERIC MAP (3 NS, 5 NS) PORT MAP (im6, im7, a_eq_b);

-- a_lt_b output

g9 : n2 GENERIC MAP (3 NS, 5 NS) PORT MAP (im1, b, im8);

g10 : n2 GENERIC MAP (3 NS, 5 NS) PORT MAP (im1, lt, im9);

g11 : n2 GENERIC MAP (3 NS, 5 NS) PORT MAP (b, lt, im10);

g12 : n3 GENERIC MAP (4 NS, 6 NS) PORT MAP (im8, im9, im10, a_lt_b);

END fixed_delay;

 

FIGURE 6. 23

Associating fixed values with the generics of logic gates.

 

FIGURE 6. 24

Component instantiation statement with generic map aspect.

ENTITY bit_comparator_t IS

GENERIC (tplh1, tplh2, tplh3, tphl1, tphl2, tphl3 : TIME);

PORT (a, b, -- data inputs

gt, -- previous greater than

eq, -- previous equal

lt : IN BIT; -- previous less than

a_gt_b, -- greater

a_eq_b, -- equal

a_lt_b : OUT BIT); -- less than

END bit_comparator_t;

(a)

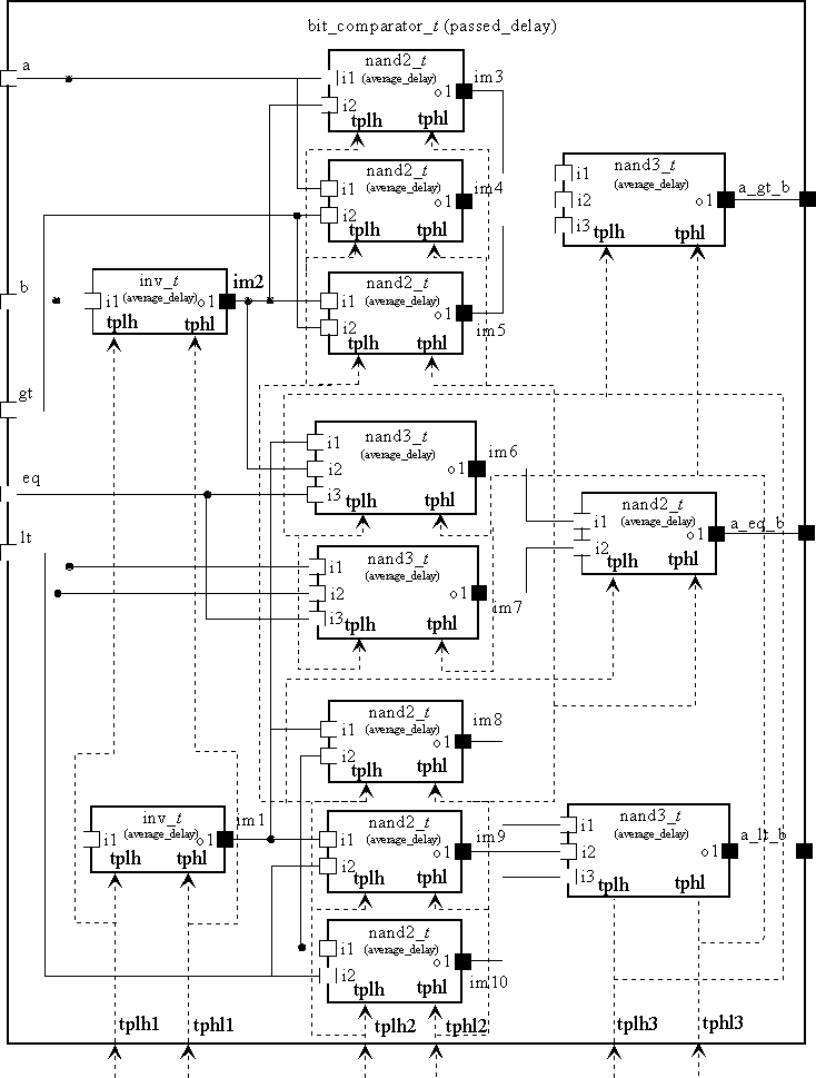
ARCHITECTURE passed_delay OF bit_comparator_t IS

COMPONENT n1

GENERIC (tplh, tphl : TIME);

PORT (i1: IN BIT; o1: OUT BIT);

END COMPONENT;

COMPONENT n2

GENERIC (tplh, tphl : TIME);

PORT (i1, i2: IN BIT; o1: OUT BIT);

END COMPONENT;

COMPONENT n3

GENERIC (tplh, tphl : TIME);

PORT (i1, i2, i3: IN BIT; o1: OUT BIT);

END COMPONENT;

FOR ALL : n1 USE ENTITY WORK.inv_t (average_delay);

FOR ALL : n2 USE ENTITY WORK.nand2_t (average_delay);

FOR ALL : n3 USE ENTITY WORK.nand3_t (average_delay);

-- Intermediate signals

SIGNAL im1,im2, im3, im4, im5, im6, im7, im8, im9, im10 : BIT;

BEGIN

-- a_gt_b output

g0 : n1 GENERIC MAP (tplh1, tphl1) PORT MAP (a, im1);

g1 : n1 GENERIC MAP (tplh1, tphl1) PORT MAP (b, im2);

g2 : n2 GENERIC MAP (tplh2, tphl2) PORT MAP (a, im2, im3);

g3 : n2 GENERIC MAP (tplh2, tphl2) PORT MAP (a, gt, im4);

g4 : n2 GENERIC MAP (tplh2, tphl2) PORT MAP (im2, gt, im5);

g5 : n3 GENERIC MAP (tplh3, tphl3) PORT MAP (im3, im4, im5, a_gt_b);

-- a_eq_b output

g6 : n3 GENERIC MAP (tplh3, tphl3) PORT MAP (im1, im2, eq, im6);

g7 : n3 GENERIC MAP (tplh3, tphl3) PORT MAP (a, b, eq, im7);

g8 : n2 GENERIC MAP (tplh2, tphl2) PORT MAP (im6, im7, a_eq_b);

-- a_lt_b output

g9 : n2 GENERIC MAP (tplh2, tphl2) PORT MAP (im1, b, im8);

g10 : n2 GENERIC MAP (tplh2, tphl2) PORT MAP (im1, lt, im9);

g11 : n2 GENERIC MAP (tplh2, tphl2) PORT MAP (b, lt, im10);

g12 : n3 GENERIC MAP (tplh3, tphl3) PORT MAP (im8, im9, im10, a_lt_b);

END passed_delay;

(b)

FIGURE 6. 25

A bit comparator with timing parameters (a) entity declaration, (b) passing generics of bit comparator to its components.

FIGURE 6. 26

Composition aspect of bit_comparator_t. Dotted lines with arrows indicate generics.

 

ARCHITECTURE iterative OF nibble_comparator IS

COMPONENT comp1

GENERIC(tplh1 : TIME := 2 NS; tplh2 :TIME := 3 NS; tplh3 : TIME := 4 ns;

tplh1 : TIME := 4 NS; tplh2 :TIME := 5 NS; tplh3 : TIME := 6 ns;

PORT (a, b, gt, eq, lt : IN BIT; a_gt_b, a_eq_b, a_lt_b : OUT BIT);

END COMPONENT;

FOR ALL : comp1 USE ENTITY WORK.bit_comparator_t (passed_delay);

SIGNAL im : BIT_VECTOR ( 0 TO 8);

BEGIN

c0: comp1 PORT MAP (a(0), b(0), gt, eq, lt, im(0), im(1), im(2));

c1to2: FOR i IN 1 TO 2 GENERATE

c: comp1 PORT MAP

(a(i), b(i), im(i*3-3), im(i*3-2), im(i*3-1), im(i*3+0), im(i*3+1), im(i*3+2) );

END GENERATE;

c3: comp1 PORT MAP (a(3), b(3), im(6), im(7), im(8),

a_gt_b, a_eq_b, a_lt_b);

END iterative;

 

FIGURE 6. 27

Passing default values of local generics to the generics of bit_comparator_t.

ARCHITECTURE iterative OF nibble_comparator IS

. . .

BEGIN

c0: comp1

GENERIC MAP (OPEN, OPEN, 8 NS, OPEN, OPEN, 10 NS)

PORT MAP (a(0), b(0), gt, eq, lt, im(0), im(1), im(2));

. . .

END iterative;

 

FIGURE 6. 28

Associating constants with some of generics of bit_comparator_t, and using defaults for others.

ARCHITECTURE iterative OF nibble_comparator IS

. . .

BEGIN

c0: comp1

GENERIC MAP (tplh3 => 8 NS, tphl3 => 10 NS)

PORT MAP (a(0), b(0), gt, eq, lt, im(0), im(1), im(2));

. . .

END iterative;

 

FIGURE 6. 29

Using named association in the generic association list of comp1.

USE WORK.basic_utilities.ALL;

ARCHITECTURE customizable OF nibble_comarator_test_bench IS

COMPONENT comp4 PORT (

a, b : IN BIT_VECTOR (3 DOWNTO 0); gt, eq, lt : IN BIT;

a_gt_b, a_eq_b, a_lt_b : OUT BIT);

END COMPONENT;

SIGNAL a, b : BIT_VECTOR (3 DOWNTO 0);

SIGNAL eql, lss, gtr : BIT;

SIGNAL vdd : BIT := '1';

SIGNAL gnd : BIT := '0';

BEGIN

a1: comp4 PORT MAP (a, b, gnd, vdd, gnd, gtr, eql, lss);

apply_data (a, (0,15,15,14,14,14,14,10,00,15,00,00,15), 500 NS);

apply_data (b, (0,14,14,15,15,12,12,12,15,15,15,00,00), 500 NS);

END customizable;

 

FIGURE 6. 30

A customizable test bench.

 

 

 

 

 

 

 

 

 

 

FIGURE 6. 31

Configuring customizable for testing structural architecture of nibble_comparator.

 

 

FIGURE 6. 32

Composition aspect for functional configuration declaration, configuring customizable test bench.

USE WORK.ALL;

CONFIGURATION average_delay OF nibble_comparator_test_bench IS

FOR customizable

FOR a1 : comp4

USE ENTITY WORK.nibble_comparator(iterative);

END FOR;

END FOR;

END average_delay;

 

FIGURE 6. 33

Configuring customizable for testing iterative architecture of nibble_comparator.

 

 

FIGURE 6. 34

Details of configuration declaration.

ARCHITECTURE flexible OF nibble_comparator IS

COMPONENT comp1

PORT (a, b, gt, eq, lt : IN BIT; a_gt_b, a_eq_b, a_lt_b : OUT BIT);

END COMPONENT;

SIGNAL im : BIT_VECTOR ( 0 TO 8);

BEGIN

c0: comp1 PORT MAP (a(0), b(0), gt, eq, lt, im(0), im(1), im(2));

c1to2: FOR i IN 1 TO 2 GENERATE

c: comp1 PORT MAP (a(i), b(i), im(i*3-3), im(i*3-2), im(i*3-1),

im(i*3+0), im(i*3+1), im(i*3+2) );

END GENERATE;

c3: comp1 PORT MAP (a(3), b(3), im(6), im(7), im(8),

a_gt_b, a_eq_b, a_lt_b);

END flexible;

 

FIGURE 6. 35

A general purpose nibble_comparator.

 

FIGURE 6. 36

Composition aspect for configuring customizable test bench for testing default_delay bit_comparator.

USE WORK.ALL;

CONFIGURATION default_bit_level OF nibble_comparator_test_bench IS

FOR customizable

FOR a1 : comp4

USE ENTITY WORK.nibble_comparator(flexible);

FOR flexible

FOR c0, c3: comp1

USE ENTITY WORK.bit_comparator (default_delay);

END FOR;

FOR c1to2

FOR c: comp1

USE ENTITY WORK.bit_comparator (default_delay);

END FOR;

END FOR;

END FOR;

END FOR;

END FOR;

END default_bit_level;

 

 

 

FIGURE 6. 37

Configuration declaration for configuring customizable test bench for testing default_delay bit_comparator.

USE WORK.ALL;

CONFIGURATION fixed_bit_level OF nibble_comparator_test_bench IS

FOR customizable

FOR a1 : comp4

USE ENTITY WORK.nibble_comparator(flexible);

FOR flexible

FOR c0, c3: comp1

USE ENTITY WORK.bit_comparator (fixed_delay);

END FOR;

FOR c1to2

FOR c: comp1

USE ENTITY WORK.bit_comparator (fixed_delay);

END FOR;

END FOR;

END FOR;

END FOR;

END FOR;

END fixed_bit_level;

 

FIGURE 6. 38

Configuring customizable test bench for testing the fixed_delay architecture of bit_comparator.

 

FIGURE 6. 39

Composition aspect of the passed_bit_level configuration of the test bench for testing passed_delay architecture of bit_comparator_t.

USE WORK.ALL;

CONFIGURATION passed_bit_level OF nibble_comparator_test_bench IS

FOR customizable

FOR a1 : comp4

USE ENTITY WORK.nibble_comparator(flexible);

FOR flexible

FOR c0, c3: comp1

USE ENTITY WORK.bit_comparator_t (passed_delay)

GENERIC MAP (tplh1 => 2 NS, tplh2 => 3 NS,

tplh3 => 4 NS, tphl1 => 4 NS,

tphl2 => 5 NS, tphl3 => 6 NS);

END FOR;

FOR c1to2

FOR c: comp1

USE ENTITY WORK.bit_comparator_t (passed_delay)

GENERIC MAP (tplh1 => 2 NS, tplh2 => 3 NS,

tplh3 => 4 NS, tphl1 => 4 NS,

tphl2 => 5 NS, tphl3 => 6 NS);

END FOR;

END FOR;

END FOR;

END FOR;

END FOR;

END passed_bit_level;

 

FIGURE 6. 40

Using configuration declarations for component bindings, and specification of generic parameters.

 

FIGURE 6. 41

Details of a block configuration enclosing component configurations and other block configurations.

ARCHITECTURE partially_flexible OF nibble_comparator IS

COMPONENT comp1

PORT (a, b, gt, eq, lt : IN BIT; a_gt_b, a_eq_b, a_lt_b : OUT BIT);

END COMPONENT;

FOR ALL:comp1 USE ENTITY WORK.bit_comparator_t (passed_delay);

SIGNAL im : BIT_VECTOR ( 0 TO 8 );

BEGIN

c0: comp1 PORT MAP ( . . . );

c1to2 : FOR i IN 1 TO 2 GENERATE

c: comp1 PORT MAP ( . . . );

END GENERATE;

c3: comp1 PORT MAP ( . . . );

END partially_flexible;

 

FIGURE 6. 42

Primary binding indication illustration.

USE WORK.ALL;

CONFIGURATION incremental OF nibble_comparator_test_bench IS

FOR customizable

FOR a1 : comp4 USE ENTITY WORK.nibble_comparator (partially_flexible);

FOR flexible

FOR c0, c3: comp1

GENERIC MAP (tplh1 => 2 NS, tplh2 => 3 NS,

tplh3 => 4 NS, tphl1 => 4 NS, tphl2 => 5 NS, tphl3 => 6 NS);

END FOR;

FOR c1to2

FOR c: comp1

GENERIC MAP (tplh1 => 2 NS, tplh2 => 3 NS,

tplh3 => 4 NS, tphl1 => 4 NS, tphl2 => 5 NS, tphl3 => 6 NS);

END FOR;

END FOR;

END FOR;

END FOR;

END FOR;

END incremental;

 

FIGURE 6. 43

Incremental binding indication illustration.

 

 

 

 

 

 

ENTITY sr_latch IS PORT (s, r, c : IN BIT; q : OUT BIT);

END sr_latch;

--

ARCHITECTURE gate_level OF sr_latch IS

COMPONENT n2 PORT (i1, i2: IN BIT; o1: OUT BIT); END COMPONENT;

SIGNAL im1, im2, im3, im4 : BIT;

BEGIN

g1 : n2 PORT MAP (s, c, im1);

g2 : n2 PORT MAP (r, c, im2);

g3 : n2 PORT MAP (im1, im4, im3);

g4 : n2 PORT MAP (im3, im2, im4);

q <= im3;

END gate_level;

 

 

 

 

 

 

 

 

FIGURE 6.44

Unbound VHDL description of set-reset latch.

 

 

 

 

ENTITY d_latch IS PORT (d, c : IN BIT; q : OUT BIT);

END d_latch;

--

ARCHITECTURE sr_based OF d_latch IS

COMPONENT sr PORT (s, r, c : IN BIT; q : OUT BIT); END COMPONENT;

COMPONENT n1 PORT (i1: IN BIT; o1: OUT BIT); END COMPONENT;

SIGNAL dbar : BIT;

BEGIN

c1 : sr PORT MAP (d, dbar, c, q);

c2 : n1 PORT MAP (d, dbar);

END sr_based;

 

 

 

 

 

FIGURE 6.45

Unbound VHDL description of a D-latch.

 

 

 

 

 

 

 

ENTITY d_register IS

PORT (d : IN BIT_VECTOR; c : IN BIT; q : OUT BIT_VECTOR);

END d_register;

--

ARCHITECTURE latch_based OF d_register IS

COMPONENT dl PORT (d, c : IN BIT; q : OUT BIT); END COMPONENT;

BEGIN

dr : FOR i IN d'RANGE GENERATE

di : dl PORT MAP (d(i), c, q(i));

END GENERATE;

END latch_based;

 

 

 

 

FIGURE 6.46

Unbound VHDL description for an n-bit latch.

 

 

FIGURE 6.47

Composition aspect for configuring the latch_based architecture of d_register.

 

 

 

 

 

 

 

 

 

 

 

 

 

 

 

 

 

 

 

 

 

 

 

 

 

 

 

 

 

 

 

 

FIGURE 6.48

Configuring d_register for using average_delay gates.

 

 

 

 

 

 

 

 

 

 

 

 

 

 

 

 

 

 

 

 

 

Block

No.

Configuration Type

PURPOSE

Visibility or Binding to:

Becomes Visible by:

1

Configuration

Declaration

Main

-

-

2

Block

Configuration

Visibility

latch_based

ARCHITECTURE

Figure 6.46

1

3

Block

Configuration

Visibility

dr

GENERATE STATEMENT

Figure 6.46

1, 2

4

Component

Configuration

Binding

di instance of dl

Figure 6.46

 

1, 2, 3

5

Block

Configuration

Visibility

sr_based

ARCHITECTURE

Figure 6.45

1, 2, 3, 4

6

Component

Configuration

Binding

c1 instance of sr

Figure 6.45

 

1, 2, 3, 4, 5

7

Component

Configuration

Binding

c2 instance of sr

Figure 6.45

 

1, 2, 3, 4, 5

8

Block

Configuration

Visibility

gate_level

ARCHITECTURE

Figure 6.44

1, 2, 3, 4, 5, 6

9

Component

Configuration

Binding

instances g2, g4 of n2

Figure 6.44

 

1, 2, 3, 4, 5, 6, 8

10

Component Configuration

Binding

instances g1, g3 of n2

Figure 6.44

 

1, 2, 3, 4, 5, 6, 8

 

 

 

FIGURE 6.49

Analyzing configuration constructs of the average_gate_delay configuration of d_register.

 

 

 

 

 

USE WORK.ALL;

CONFIGURATION single_gate_delay OF d_register IS

FOR latch_based

FOR dr

FOR di : dl

USE ENTITY WORK.d_latch(sr_based);

FOR sr_based

FOR c1 : sr

USE ENTITY WORK.sr_latch(gate_level);

FOR gate_level

FOR g2, g4 : n2

USE ENTITY WORK.nand3(single_delay)

PORT MAP (i1, i1, i2, o1);

END FOR;

FOR g1, g3 : n2

USE ENTITY WORK.nand2(single_delay);

END FOR;

END FOR;

END FOR;

FOR c2 : n1

USE ENTITY WORK.inv(single_delay);

END FOR;

END FOR;

END FOR;

END FOR;

END FOR;

END single_gate_delay;

 

 

 

 

 

FIGURE 6.50

Configuring d_register for using single_delay architectures of inv and nand2.

 

 

 

 

 

 

 

ARCHITECTURE single OF d_register_test_bench IS

COMPONENT reg PORT (d : IN BIT_VECTOR (7 DOWNTO 0); c : IN BIT;

q : OUT BIT_VECTOR (7 DOWNTO 0) );

END COMPONENT;

FOR r8 : reg USE CONFIGURATION WORK.single_gate_delay;

SIGNAL data, outdata : BIT_VECTOR (7 DOWNTO 0);

SIGNAL clk : BIT;

BEGIN

r8: reg PORT MAP (data, clk, outdata);

data <= X"00", X"AA" AFTER 0500 NS, X"55" AFTER 1500 NS;

clk <= '0', '1' AFTER 0200 NS, '0' AFTER 0300 NS,

'1' AFTER 0700 NS, '0' AFTER 0800 NS,

'1' AFTER 1700 NS, '0' AFTER 1800 NS;

END single;

 

 

 

FIGURE 6.51

Test bench for the single_delay architecture of d_register.

 

 

 

 

 

 

 

 

FIGURE 6.52

Parity generator/checker circuit.

 

 

 

 

ENTITY xor2_t IS

GENERIC (tplh : TIME := 9 NS; tphl : TIME := 7 NS);

PORT (i1, i2 : IN BIT; o1 : OUT BIT);

END xor2_t;

--

ARCHITECTURE average_delay OF xor2_t IS

BEGIN

o1 <= i1 XOR i2 AFTER (tplh + tphl) / 2;

END average_delay;

----

ENTITY inv_t IS

GENERIC (tplh : TIME := 5 NS; tphl : TIME := 3 NS);

PORT (i1 : IN BIT; o1 : OUT BIT);

END inv_t;

--

ARCHITECTURE average_delay OF inv_t IS

BEGIN

o1 <= NOT i1 AFTER (tplh + tphl) / 2;

END average_delay;

 

FIGURE 6.53

Timed XOR and INV gates.

 

 

 

 

ENTITY parity IS

PORT (a : IN BIT_VECTOR (7 DOWNTO 0); odd, even : OUT BIT);

END parity;

--

ARCHITECTURE iterative OF parity IS

COMPONENT x2 PORT (i1, i2: IN BIT; o1: OUT BIT); END COMPONENT;

COMPONENT n1 PORT (i1: IN BIT; o1: OUT BIT); END COMPONENT;

SIGNAL im : BIT_VECTOR ( 0 TO 6 );

BEGIN

first: x2 PORT MAP (a(0), a(1), im(0));

middle: FOR i IN 1 TO 6 GENERATE

m: x2 PORT MAP (im(i-1), a(i+1), im(i));

END GENERATE;

last: odd <= im(6);

inv: n1 PORT MAP (im(6), even);

END iterative;

 

FIGURE 6.54

Parity circuit description.

 

 

 

 

 

CONFIGURATION parity_binding OF parity IS

FOR iterative

FOR first : x2

USE ENTITY WORK.xor2_t (average_delay)

GENERIC MAP (5 NS, 5 NS);

END FOR;

FOR middle (1 TO 5)

FOR m : x2

USE ENTITY WORK.xor2_t (average_delay)

GENERIC MAP (5 NS, 5 NS);

END FOR;

END FOR;

FOR middle ( 6)

FOR m : x2

USE ENTITY WORK.xor2_t (average_delay)

GENERIC MAP (6 NS, 7 NS);

END FOR;

END FOR;

FOR inv : n1

USE ENTITY WORK.inv_t (average_delay) GENERIC MAP (5 NS, 5 NS);

END FOR;

END FOR;

END parity_binding;

 

FIGURE 6.55

Parity circuit configuration declaration.

 

 

 

 

 

 

 

 

Value

Representing

'U'

Uninitialized

'X'

Forcing Unknown

'0'

Forcing 0

'1'

Forcing 1

'Z'

High Impedance

'W'

Weak Unknown

'L'

Weak 0

'H'

Weak 1

'-'

Don't care

 

FIGURE 6.56

Std_logic logic value system.

 

 

 

 

 

 

 

 

.

U

X

0

1

Z

W

L

H

-

U

'U'

'U'

'0'

'U'

'U'

'U'

'0'

'U'

'U’

X

'U'

'X'

'0'

'X'

'X'

'X'

'0'

'X'

'X'

0

'0'

'0'

'0'

'0'

'0'

'0'

'0'

'0'

'0'

1

'U'

'X'

'0'

'1'

'X'

'X'

'0'

'1'

'X’

Z

'U'

'X'

'0'

'X'

'X'

'X'

'0'

'X'

'X'

W

'U'

'X'

'0'

'X'

'X'

'X'

'0'

'X'

'X'

L

'0'

'0'

'0'

'0'

'0'

'0'

'0'

'0'

'0'

H

'U'

'X'

'0'

'1'

'X'

'X'

'0'

'1'

'X'

-

'U'

'X'

'0'

'X'

'X'

'X'

'0'

'X'

'X'

 

 

FIGURE 6.57

AND table for std_logic type.

 

 

LIBRARY IEEE;

USE IEEE.std_logic_1164.ALL;

--

ENTITY nand2_t IS

GENERIC (tplh : TIME := 6 NS; tphl : TIME := 4 NS);

PORT (i1, i2 : IN std_logic; o1 : OUT std_logic);

END nand2_t;

--

ARCHITECTURE average_delay_mvla OF nand2_t IS

BEGIN

o1 <= i1 NAND i2 AFTER (tplh + tphl) / 2;

END average_delay_mvla;

 

FIGURE 6.58

A two-input NAND gate in std_logic value system.

 

 

 

 

 

 

 

LIBRARY ls7400 User: John Designer

 

Date

simple_gates

PACKAGE DECLARATION

June 9, 1997

inv

ENTITY

June 8, 1997

inv(single_delay)

ARCHITECTURE

June 8, 1997

nand2

ENTITY

June 6, 1997

nand2(single_delay)

ARCHITECTURE

June 6, 1997

nand3

ENTITY

June 6, 1997

nand3(single_delay)

ARCHITECTURE

June 6, 1997

 

 

 

 

 

FIGURE 6.59

Directory of ls7400 library containing package declarations, entities and architectures are been compiled into it.

 

 

 

 

LIBRARY ls7400;

USE ls7400.simple_gates.ALL;

 

FIGURE 6.60

Making all declarations of simple_gates package of ls7400 library available.

 

 

 

 

 

 

 

LIBRARY ls7400;

USE ls7400.simple_gates.ALL;

--

ARCHITECTURE gate_level OF sr_latch IS

SIGNAL im1, im2, im3, im4 : BIT;

BEGIN

g1 : n2 PORT MAP (s, c, im1);

g2 : n2 PORT MAP (r, c, im2);

g3 : n2 PORT MAP (im1, im4, im3);

g4 : n2 PORT MAP (im3, im2, im4);

q <= im3;

END gate_level;

 

 

 

 

 

FIGURE 6.61

Using component declarations of simple_gates package of ls7400 library for description of set-reset latch.

 

 

 

LIBRARY ls7400;

USE ls7400.ALL;

FIGURE 6.62

Making all entities and architectures of the ls7400 library available.

 

 

 

 

LIBRARY ls7400;

USE ls7400.ALL;

.

.

… FOR g1, g3 : n2

… USE ENTITY ls7400.nand2 (single_delay);

… END FOR;

FIGURE 6.63

Using a component configuration for associating g1 and g3 instances of n2 of Figure 6.61 with nand2 of ls7400.